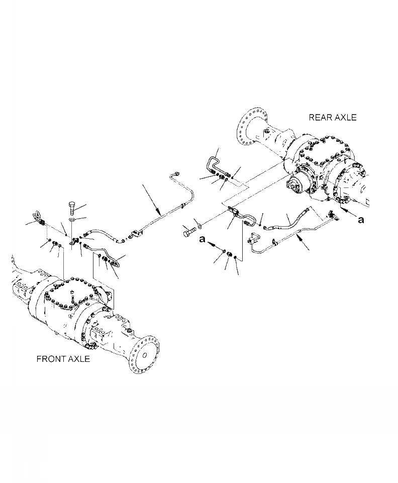
Запчасти Komatsu WA430-6 K7-A ТОРМОЗНАЯ ГИДРОЛИНИЯ ПЕРЕДН. И ЗАДН. МОСТ ТРУБЫ OPERATORXD S ОБСТАНОВКА И СИСТЕМА УПРАВЛЕНИЯ

Схема запчастей Komatsu WA430-6 - K7-A ТОРМОЗНАЯ ГИДРОЛИНИЯ ПЕРЕДН. И ЗАДН. МОСТ ТРУБЫ OPERATORXD S ОБСТАНОВКА И СИСТЕМА УПРАВЛЕНИЯ
17
18
20
16
14
15
3
18
10
12
4
2
11
8
13
2
9
5
1
6
19
2
7
15
7
14
6
16
9
FIT
1:1
100%

Артикул

Название

Примечание

Количество

1

423-43-47121

TEE

1шт.

2

02896-11012

O-RING

3шт.

3

01010-81020

BOLT

1шт.

4

01643-31032

WASHER

1шт.

5

423-43-37810

TUBE

1шт.

6

02781-00422

UNION

2шт.

7

07002-12034

O-RING

2шт.

8

423-43-37820

TUBE

1шт.

9

02896-11012

O-RING

2шт.

10

424-43-47150

HOSE

1шт.

11

01010-81430

BOLT

1шт.

12

01643-31445

WASHER

1шт.

13

424-43-47130

TUBE

1шт.

14

02781-00422

UNION

2шт.

15

07002-12034

O-RING

2шт.

16

02896-11012

O-RING

2шт.

17

424-43-47140

TUBE

1шт.

18

02896-11012

O-RING

2шт.

19

TUBE ( SEE FIG. K4460-07A0 )

-1шт.

20

TUBE ( SEE FIG. K4460-06A0 )

-1шт.

Выбрано товаров: 20