Качественные детали и логистика
Оригинальные и аналоговые запчасти с доставкой по России, Казахстану и Беларуси
©2022 PartSell ООО "Система" ИНН 2463123282 ОГРН 1212400004838
Центральный офис: г. Красноярск, Академика Киренского, д.87, пом.4
Телефон: 8 (800) 777-65-74 Email: zakaz@partsell.ru
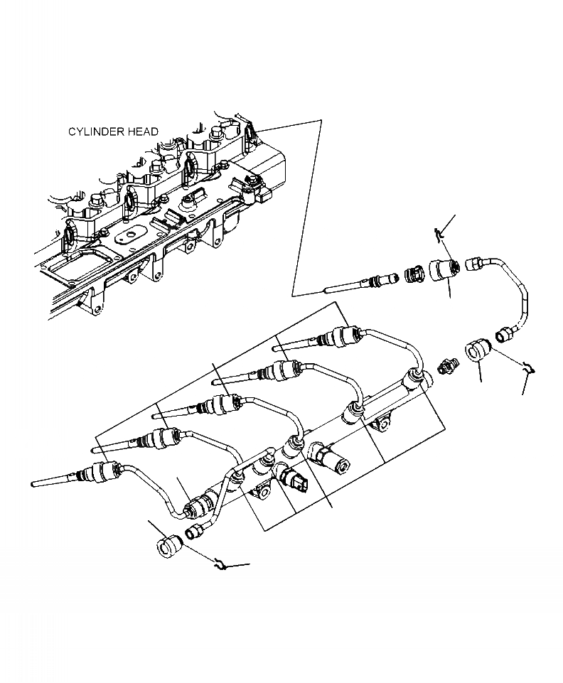
A-AA ТОПЛИВН. ВПРЫСК СОЕДИН-Е КРЫШКИ
№
Артикул
Название
Примечание
Количество
1
6745-71-9710
COVER
5шт.
2
6754-71-9710
9шт.
3
6217-71-5770
CLIP
14шт.
Выбрано товаров: 0