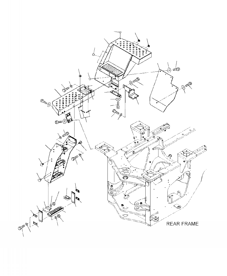
Запчасти Komatsu WA430-6 M-A ЛЕСТНИЦА ПРАВ. ПОЛ ЧАСТИ КОРПУСА

Схема запчастей Komatsu WA430-6 - M-A ЛЕСТНИЦА ПРАВ. ПОЛ ЧАСТИ КОРПУСА
12
15
12
1
15
21
22
20
14
15
5
3
4
16
2
8
11
21
7
22
11
3
8
6
9
10
13
18
19
17
31
31
19
18
32
27
24
29
30
25
26
27
27
26
23
29
30
27
30
28
FIT
1:1
100%

Артикул

Название

Примечание

Количество

1

424-54-44822

FLOOR, R.H.

1шт.

2

421-54-44582

FLOOR, R.H.

1шт.

3

423-54-44390

HINGE (WELDED)

2шт.

4

01010-D1230

BOLT

4шт.

5

01643-71232

WASHER

4шт.

6

423-54-41330

BRACKET, R.H.

1шт.

7

423-54-44140

BRACKET

1шт.

8

01010-D1230

BOLT

4шт.

9

01010-D1230

BOLT

2шт.

10

01643-71232

WASHER

2шт.

11

421-03-31590

WASHER

4шт.

12

421-54-22990

PLUG

4шт.

13

418-54-22190

CUSHION

3шт.

14

08037-02512

GROMMET

1шт.

15

426-56-21990

PLUG

4шт.

16

09415-00506

CAP

1шт.

17

423-54-44850

LADDER

1шт.

18

01010-D1235

BOLT

4шт.

19

01643-71232

WASHER

4шт.

20

424-54-44780

SHEET, R.H.

1шт.

21

01010-D1025

BOLT

6шт.

22

421-54-34550

WASHER

6шт.

23

421-54-34611

STEP

1шт.

24

424-54-44951

PLATE

1шт.

25

424-54-44861

PLATE

1шт.

26

424-54-44881

RUBBER

2шт.

27

428-T86-1650

PLATE

4шт.

28

01010-D1045

BOLT

8шт.

29

01596-01009

NUT

8шт.

30

01643-71032

WASHER

16шт.

31

22L-46-12150

CAP

2шт.

32

416-54-34230

PLUG

2шт.

Выбрано товаров: 32