Запчасти Komatsu WA430-6 T-A РУКОЯТЬ И КОЛЕНЧАТЫЙ РЫЧАГ ТРУБЫ СТРЕЛЫ (3-Х СЕКЦИОНН.) РАБОЧЕЕ ОБОРУДОВАНИЕ

Схема запчастей Komatsu WA430-6 - T-A РУКОЯТЬ И КОЛЕНЧАТЫЙ РЫЧАГ ТРУБЫ СТРЕЛЫ (3-Х СЕКЦИОНН.) РАБОЧЕЕ ОБОРУДОВАНИЕ
15
19
14
15
17
14
18
19
16
17
15
18
8
16
9
15
1
8
7
9
7
1
12
10
13
11
3
2
4
6
5
FIT
1:1
100%

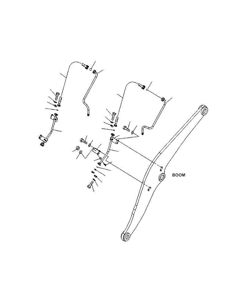
Артикул

Название

Примечание

Количество

1

423-877-3292

TUBE

2шт.

2

07378-11000

HEAD, PLUG

2шт.

3

07000-B3032

O-RING

2шт.

4

07371-31049

FLANGE, SPLIT

4шт.

5

07372-21035

BOLT

8шт.

6

01643-51032

WASHER

8шт.

7

424-877-4110

BRACKET

4шт.

8

01010-81025

BOLT

8шт.

9

01643-31032

WASHER

8шт.

10

07283-32746

CLIP

4шт.

11

07283-52737

SEAT

4шт.

12

01597-01009

NUT

8шт.

13

01643-31032

WASHER

8шт.

14

07085-00615

HOSE

2шт.

15

07000-13025

O-RING

4шт.

16

07371-30640

FLANGE, SPLIT

8шт.

17

07372-21035

BOLT

16шт.

18

01643-51032

WASHER

16шт.

19

TUBE ( SEE FIG. H4200-11A5 )

-1шт.

Выбрано товаров: 0