Запчасти Komatsu WA430-6 A-AA УПРАВЛ-Е ДВИГАТЕЛЕМ MODULE И ДАТЧИКS ДВИГАТЕЛЬ

Схема запчастей Komatsu WA430-6 - A-AA УПРАВЛ-Е ДВИГАТЕЛЕМ MODULE И ДАТЧИКS ДВИГАТЕЛЬ
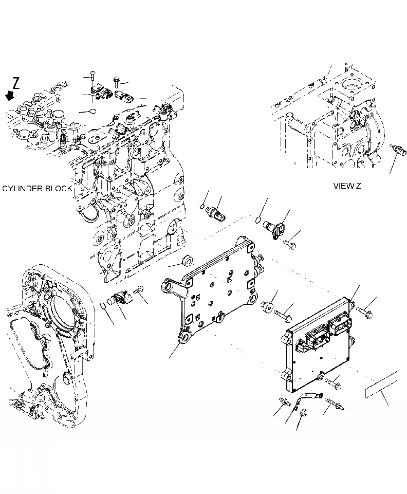
17
25
24
20
12
22
21
23
4
3
8
9
19
10
16
15
5
9
13
7
14
6
18
11
1
2
FIT
1:1
100%

Артикул

Название

Примечание

Количество

|$0

6754-81-9200

SENSOR ASSEMBLY, POSITION

1шт.

1

NSS

SENSOR, POSITION

1шт.

2

6261-81-2920

SEAL, O-RING

1шт.

|$3

6261-81-2902

SENSOR ASSEMBLY, POSITION

1шт.

3

NSS

SENSOR, POSITION

1шт.

4

6271-81-9220

SEAL, O-RING

1шт.

5

6216-84-2130

DATAPLATE

1шт.

6

6745-81-9440

BOLT (M8-1.25x15)

1шт.

7

6732-71-3210

NUT (M8-1.25)

1шт.

8

6732-71-3220

BOLT (M8-1.25x20)

1шт.

9

6732-61-3110

BOLT (M8-1.25x40)

2шт.

10

6735-61-2120

BOLT (M8-1.25x45)

4шт.

11

6732-21-4180

BOLT (M6-1.00x16)

1шт.

12

6734-71-5520

BOLT (M5-0.80x20)

1шт.

13

6745-81-9560

BOLT

3шт.

14

6754-81-9170

WIRE, GROUND

1шт.

15

6754-81-9110

ISOLATOR, VIBRATION

4шт.

16

6754-81-9130

ISOLATOR, VIBRATION

4шт.

17

6754-81-9180

BOLT, SOCKET HEAD CAP

1шт.

18

6745-81-9511

COOLER, ELECTRONIC CONTROL

1шт.

19

CONTROLLER, ENGINE

1шт.

20

6261-81-1900

SENSOR, PRESSURE

1шт.

|$22

6744-81-4010

SWITCH ASSEMBLY, PRESSURE

1шт.

21

NSS

SWITCH, PRESSURE

1шт.

22

6216-84-9740

SEAL, O-RING

1шт.

23

6261-81-6901

SENSOR, TEMPERATURE

1шт.

N/I

6216-84-9740

SEAL, O-RING

1шт.

|$27

6754-81-2701

SENSOR ASSEMBLY, PRESSURE TEMPERATURE

1шт.

24

6754-81-2710

SEAL, O-RING

1шт.

25

NSS

SENSOR, PRESSURE TEMPERATURE

1шт.

|$30

30

-1шт.

|$31

F1 - CONTACT RIPLEY PARTS SUPPLY CENTER WITH ENGINE SERIAL NUMBER TO ORDER PROPER ENGINE CONTROLLER.

31

-1шт.

Выбрано товаров: 32