Качественные детали и логистика
Оригинальные и аналоговые запчасти с доставкой по России, Казахстану и Беларуси
©2022 PartSell ООО "Система" ИНН 2463123282 ОГРН 1212400004838
Центральный офис: г. Красноярск, Академика Киренского, д.87, пом.4
Телефон: 8 (800) 777-65-74 Email: zakaz@partsell.ru
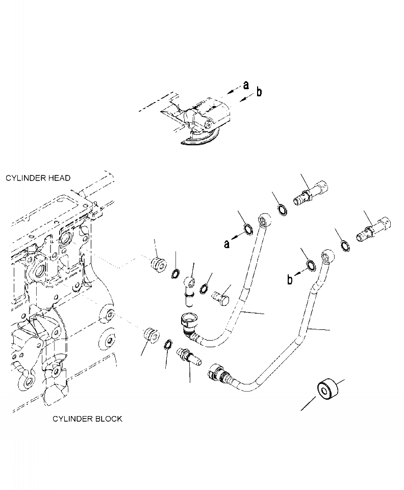
A-AA ХЛАДАГЕНТ ТРУБЫ
№
Артикул
Название
Примечание
Количество
1
6745-61-8110
BUSHING, REDUCING PIPE
2шт.
2
6732-71-6510
BOLT, BANJO CONNECTOR (M12-1.50x24)
1шт.
3
6731-74-5910
WASHER, SEALING
4шт.
4
6745-71-1130
3шт.
5
6745-71-6130
CONNECTION, ADAPTER
6
6745-61-8120
CONNECTOR, BANJO
7
6745-61-8130
TUBE, WATER INLET
8
6745-61-8140
TUBE, WATER OUTLET
9
6745-61-8150
VALVE, SHUT OFF
10
6745-71-5160
COVER, PROTECTIVE
Выбрано товаров: 0