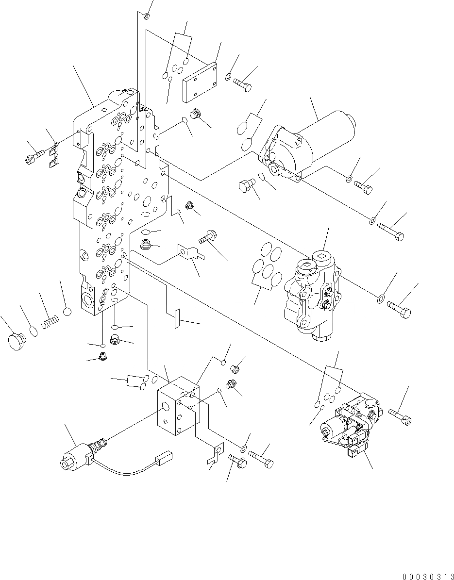
Запчасти Komatsu WA430-6 ТРАНСМИССИЯ (ОСНОВН. КЛАПАН) F POWER TRANSMITTING СИСТЕМА

Схема запчастей Komatsu WA430-6 - ТРАНСМИССИЯ (ОСНОВН. КЛАПАН) F POWER TRANSMITTING СИСТЕМА
14
12
13
15
16
14
1
12
3
4
13
15
16
11
2
5
6
10
17
9
7
8
44
43
1
45
10
11
5
4
9
14
13
30
33
35
34
37
36
42
41
12
8
10
39
32
31
40
29
28
2
3
7
6
5
4
3
2
25
20
38
22
21
23
24
27
26
11
29
28
19
17
18
16
15
FIT
1:1
100%

Артикул

Название

Примечание

Количество

|$1

714-24-20001

TRANSMISSION ASSEMBLY

SN: H60051-UP

1шт.

|$2

714-24-25001

VALVE ASSEMBLY, MAIN

SN: H60051-UP

1шт.

1

714-24-25130

VALVE SEAT

SN: H60051-UP

1шт.

2

723-11-18190

PLUG

SN: H60051-UP

3шт.

3

07002-61023

O-RING, (K2)

SN: H60051-UP

3шт.

4

714-24-25190

PLUG

SN: H60051-UP

15шт.

5

07002-61423

O-RING, (K2)

SN: H60051-UP

15шт.

6

723-11-15110

PLUG

SN: H60051-UP

2шт.

7

07002-61623

O-RING, (K2)

SN: H60051-UP

2шт.

8

714-12-25501

ECMV ASSEMBLY

SN: H60051-UP

6шт.

9

714-07-25160

COVER

SN: H60051-UP

1шт.

10

07000-72015

O-RING, (K2)

SN: H60051-UP

28шт.

11

07000-71007

O-RING, (K2)

SN: H60051-UP

7шт.

12

01252-70650

BOLT

SN: H60051-UP

24шт.

13

01010-80620

BOLT

SN: H60051-UP

4шт.

14

01643-30623

WASHER

SN: H60051-UP

4шт.

15

04260-01270

BALL

SN: H60051-UP

1шт.

16

234-15-15120

SPRING

SN: H60051-UP

1шт.

17

714-10-16890

PLUG

SN: H60051-UP

1шт.

18

07002-62034

O-RING, (K2)

SN: H60051-UP

1шт.

|$21

714-24-25200

SOLENOID VALVE ASSEMBLY

SN: H60051-UP

1шт.

19

714-12-25220

SOLENOID VALVE

SN: H60051-UP

1шт.

20

0

BLOCK

SN: H60051-UP

1шт.

21

723-11-18190

PLUG

SN: H60051-UP

1шт.

22

07002-61023

O-RING, (K2)

SN: H60051-UP

1шт.

23

708-8E-16150

PLUG

SN: H60051-UP

1шт.

24

07002-61023

O-RING, (K2)

SN: H60051-UP

1шт.

25

07000-72012

O-RING, (K2)

SN: H60051-UP

3шт.

26

01010-81070

BOLT

SN: H60051-UP

1шт.

27

01643-31032

WASHER

SN: H60051-UP

1шт.

28

08193-21012

CLIP

SN: H60051-UP

2шт.

29

01435-01016

BOLT

SN: H60051-UP

2шт.

30

569-15-51720

FILTER

SN: H60051-UP

1шт.

30

569-15-51730

ELEMENT

SN: H60051-UP

1шт.

30

07000-12060

O-RING

SN: H60051-UP

1шт.

31

07040-11812

PLUG

SN: H60051-UP

1шт.

32

07002-61823

O-RING, (K2)

SN: H60051-UP

1шт.

33

07000-73022

O-RING, (K2)

SN: H60051-UP

2шт.

34

01016-51030

BOLT

SN: H60051-UP

1шт.

35

01643-31032

WASHER

SN: H60051-UP

1шт.

36

01010-81080

BOLT

SN: H60051-UP

1шт.

37

01643-31032

WASHER

SN: H60051-UP

1шт.

38

700-11-31980

PLATE, NAME

SN: H60051-UP

1шт.

39

714-24-26001

VALVE ASSEMBLY, MODULATION

SN: H60051-UP

1шт.

40

07000-73030

O-RING, (K2)

SN: H60051-UP

5шт.

41

01010-81065

BOLT

SN: H60051-UP

2шт.

42

01643-31032

WASHER

SN: H60051-UP

2шт.

43

714-23-15690

BRACKET

SN: H60051-UP

1шт.

44

01252-60510

BOLT

SN: H60051-UP

2шт.

45

714-07-25180

ORIFICE

SN: H60051-UP

2шт.

Выбрано товаров: 50