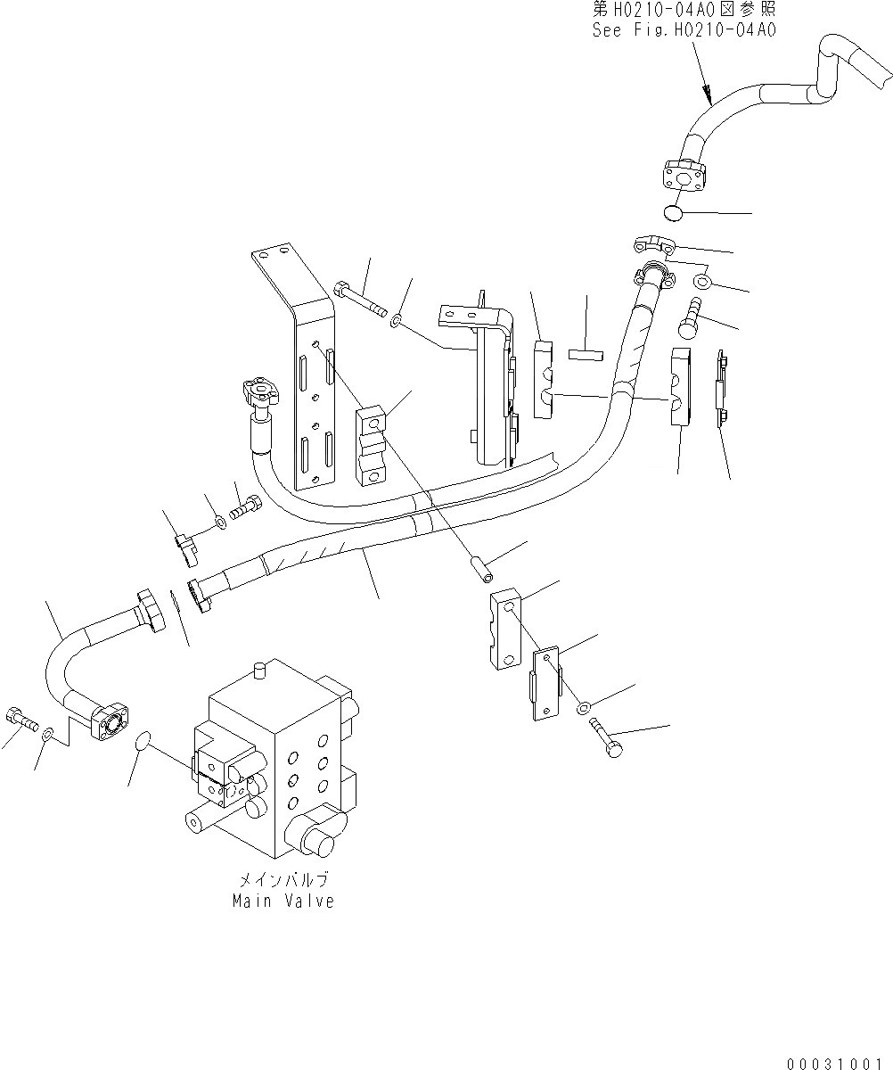
Запчасти Komatsu WA430-6 ГИДРОЛИНИЯ (ЛИНИЯ ПОДАЧИ) H ГИДРАВЛИКА

Схема запчастей Komatsu WA430-6 - ГИДРОЛИНИЯ (ЛИНИЯ ПОДАЧИ) H ГИДРАВЛИКА
1
4
14
5
13
6
12
11
2
3
7
10
9
8
15
3
9
16
17
19
18
20
7
8
10
9
14
18
20
19
15
17
16
1
2
4
5
3
6
12
13
11
FIT
1:1
100%

Артикул

Название

Примечание

Количество

1

423-62-34792

HOSE

SN: H60051-UP

1шт.

2

07000-13032

O-RING

SN: H60051-UP

1шт.

3

07371-31049

FLANGE

SN: H60051-UP

2шт.

4

01252-71035

BOLT

SN: H60051-UP

4шт.

5

01643-51032

WASHER

SN: H60051-UP

4шт.

6

423-62-34190

TUBE

SN: H60051-UP

1шт.

7

07000-13032

O-RING

SN: H60051-UP

1шт.

8

07371-31049

FLANGE

SN: H60051-UP

2шт.

9

01252-71035

BOLT

SN: H60051-UP

4шт.

10

01643-51032

WASHER

SN: H60051-UP

4шт.

11

07000-13035

O-RING

SN: H60051-UP

1шт.

12

01252-71040

BOLT

SN: H60051-UP

4шт.

13

01643-51032

WASHER

SN: H60051-UP

4шт.

14

423-62-34970

PLATE

SN: H60051-UP

1шт.

15

423-62-35350

PLATE

SN: H60051-UP

1шт.

16

01010-81090

BOLT

SN: H60051-UP

4шт.

17

01643-31032

WASHER

SN: H60051-UP

4шт.

18

423-62-34250

RUBBER

SN: H60051-UP

2шт.

19

423-62-35270

RUBBER

SN: H60051-UP

2шт.

20

417-62-23690

SPACER

SN: H60051-UP

4шт.

Выбрано товаров: 20