Запчасти Komatsu WA430-6 ЦИЛИНДР РУЛЕВ. УПР-Я (ПАЛЕЦ) J РАМА И ITS КОМПОНЕНТЫ

Схема запчастей Komatsu WA430-6 - ЦИЛИНДР РУЛЕВ. УПР-Я (ПАЛЕЦ) J РАМА И ITS КОМПОНЕНТЫ
4
6
11
10
7
5
8
3
9
2
1
2
3
1
7
2
3
1
7
2
3
1
6
2
3
6
1
5
4
4
4
4
8
5
5
5
FIT
1:1
100%

Артикул

Название

Примечание

Количество

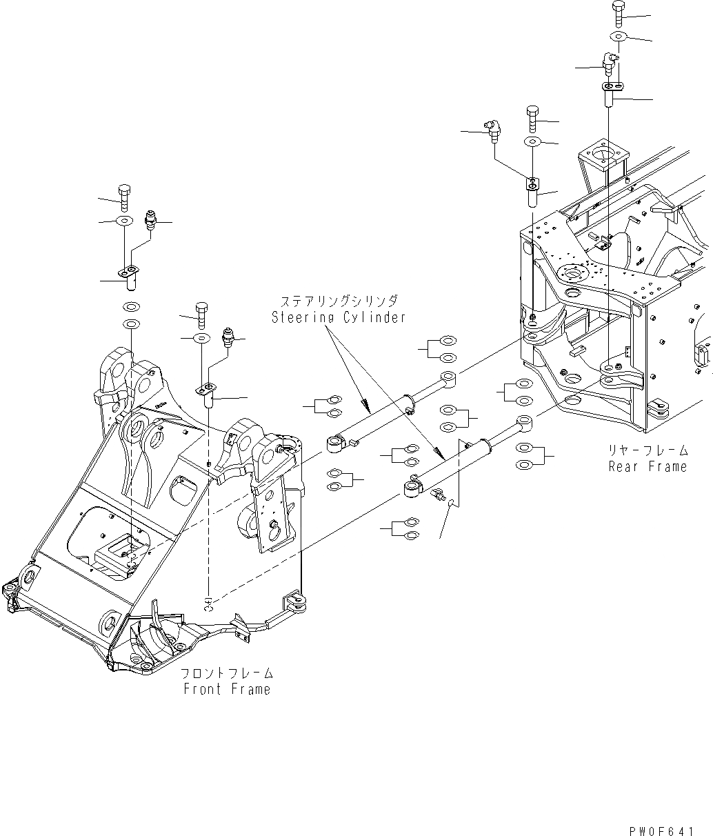
1

423-46-21180

PIN

SN: H60051-UP

4шт.

2

01010-81220

BOLT

SN: H60051-UP

4шт.

3

175-54-34170

WASHER

SN: H60051-UP

4шт.

4

416-70-11351

SHIM, 1.0MM

SN: H60051-UP

8шт.

4

424-46-12541

SHIM, 0.5MM

SN: H60051-UP

8шт.

5

423-46-22171

SHIM, 1.0MM

SN: H60051-UP

8шт.

5

423-46-22181

SHIM, 0.5MM

SN: H60051-UP

8шт.

6

423-09-12110

CONNECTOR

SN: H60051-UP

1шт.

7

07020-00675

FITTING

SN: H60051-UP

1шт.

8

07002-11023

O-RING

SN: H60051-UP

1шт.

Выбрано товаров: 10