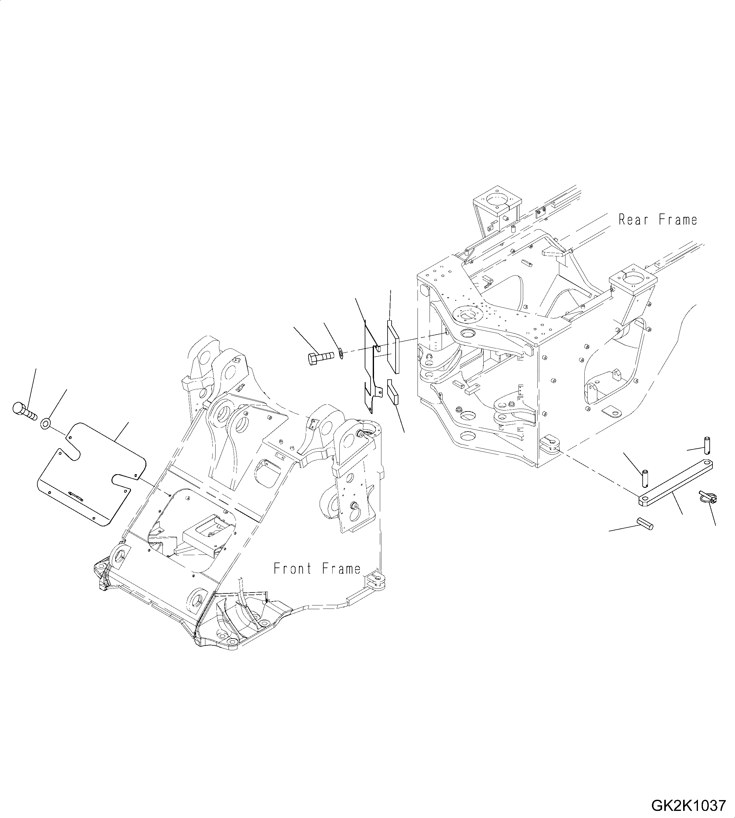
Запчасти Komatsu WA430-6 БЛОКИР. ШАНГА И КРЫШКА(ПЕРЕДН. КРЫШКАAND HINGE COVER) (ДЛЯ 3-Х СЕКЦИОНН. КЛАПАН) J РАМА И ITS КОМПОНЕНТЫ

Схема запчастей Komatsu WA430-6 - БЛОКИР. ШАНГА И КРЫШКА(ПЕРЕДН. КРЫШКАAND HINGE COVER) (ДЛЯ 3-Х СЕКЦИОНН. КЛАПАН) J РАМА И ITS КОМПОНЕНТЫ
7
6
4
5
3
2
1
2
7
8
6
12
13
9
10
11
3
1
5
4
2
FIT
1:1
100%

Артикул

Название

Примечание

Количество

1

421-46-12880

BAR, LOCK

SN: H60051-UP

1шт.

2

419-00-H1530

PIN

SN: H60051-UP

1шт.

3

04050-18055

SPLIT PIN

SN: H60051-UP

1шт.

4

419-46-H4180

PIN

SN: H60051-UP

1шт.

5

419-00-H1570

LINCH PIN

SN: H60051-UP

1шт.

6

423-877-3431

COVER

SN: H60051-UP

1шт.

7

01010-81230

BOLT

SN: H60051-UP

6шт.

8

01643-31232

WASHER

SN: H60051-UP

6шт.

9

423-46-34291

COVER

SN: H60051-UP

1шт.

10

423-46-34330

SHEET

SN: H60051-UP

1шт.

11

423-46-34350

SHEET

SN: H60051-UP

1шт.

12

01010-81020

BOLT

SN: H60051-UP

5шт.

13

01643-31032

WASHER

SN: H60051-UP

5шт.

Выбрано товаров: 13