Запчасти Komatsu WA430-6 БЛОКИР. ШАНГА И КРЫШКА(ПЕРЕДН. КРЫШКАAND HINGE COVER) J РАМА И ITS КОМПОНЕНТЫ

Схема запчастей Komatsu WA430-6 - БЛОКИР. ШАНГА И КРЫШКА(ПЕРЕДН. КРЫШКАAND HINGE COVER) J РАМА И ITS КОМПОНЕНТЫ
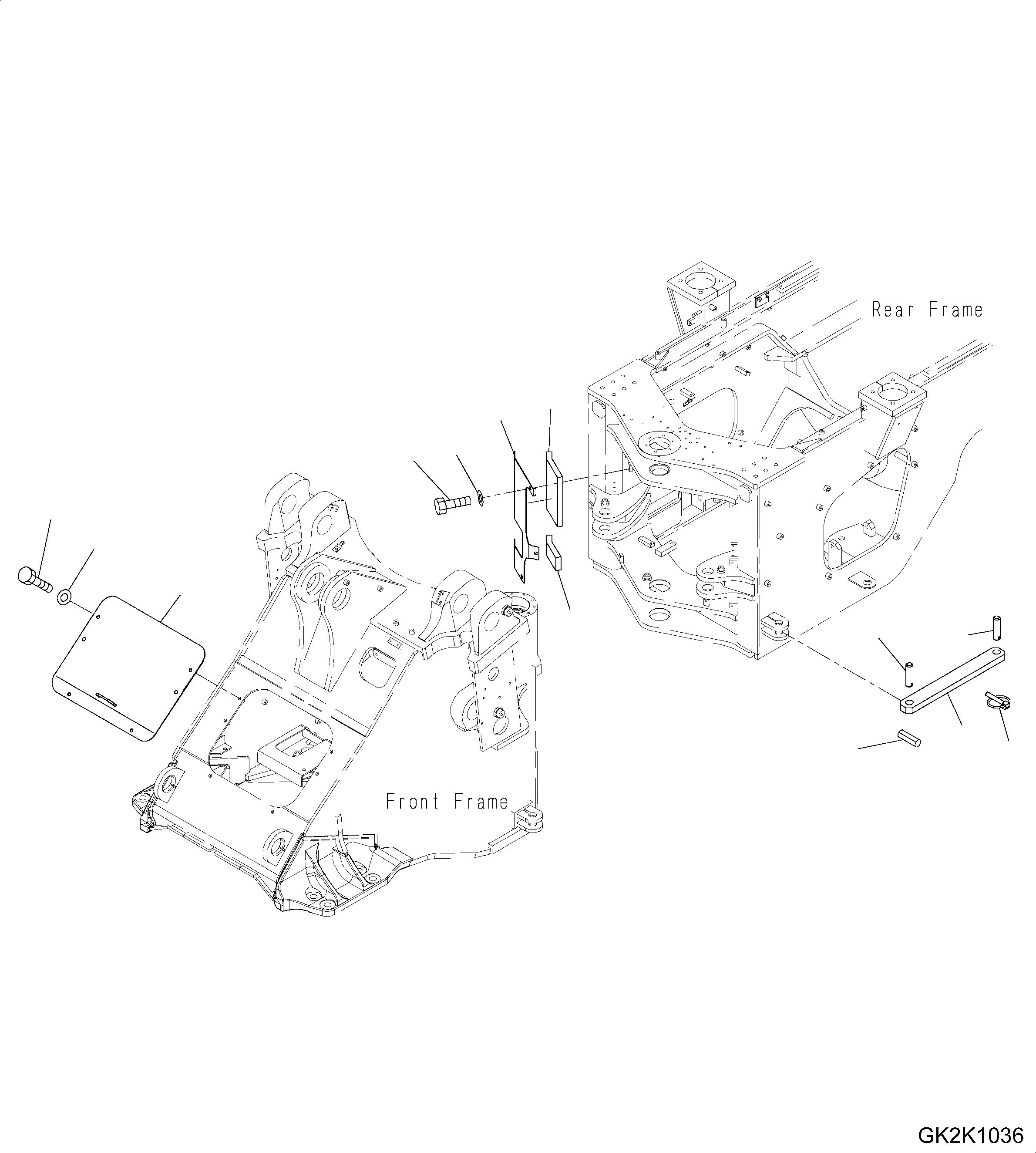
1
13
12
2
11
3
4
10
15
5
14
9
6
7
8
10
9
13
12
7
8
6
11
2
4
1
3
5
FIT
1:1
100%

Артикул

Название

Примечание

Количество

1

421-46-12880

BAR, LOCK

SN: H60051-UP

1шт.

2

419-00-H1530

PIN

SN: H60051-UP

1шт.

3

04050-18055

SPLIT PIN

SN: H60051-UP

1шт.

4

419-46-H4180

PIN

SN: H60051-UP

1шт.

5

419-00-H1570

LINCH PIN

SN: H60051-UP

1шт.

6

423-46-31421

COVER

SN: H60051-UP

1шт.

7

01010-81230

BOLT

SN: H60051-UP

3шт.

8

01643-31232

WASHER

SN: H60051-UP

3шт.

9

423-46-34291

COVER

SN: H60051-UP

1шт.

10

423-46-34330

SHEET

SN: H60051-UP

1шт.

11

423-46-34350

SHEET

SN: H60051-UP

1шт.

12

01010-81020

BOLT

SN: H60051-UP

5шт.

13

01643-31032

WASHER

SN: H60051-UP

5шт.

Выбрано товаров: 13