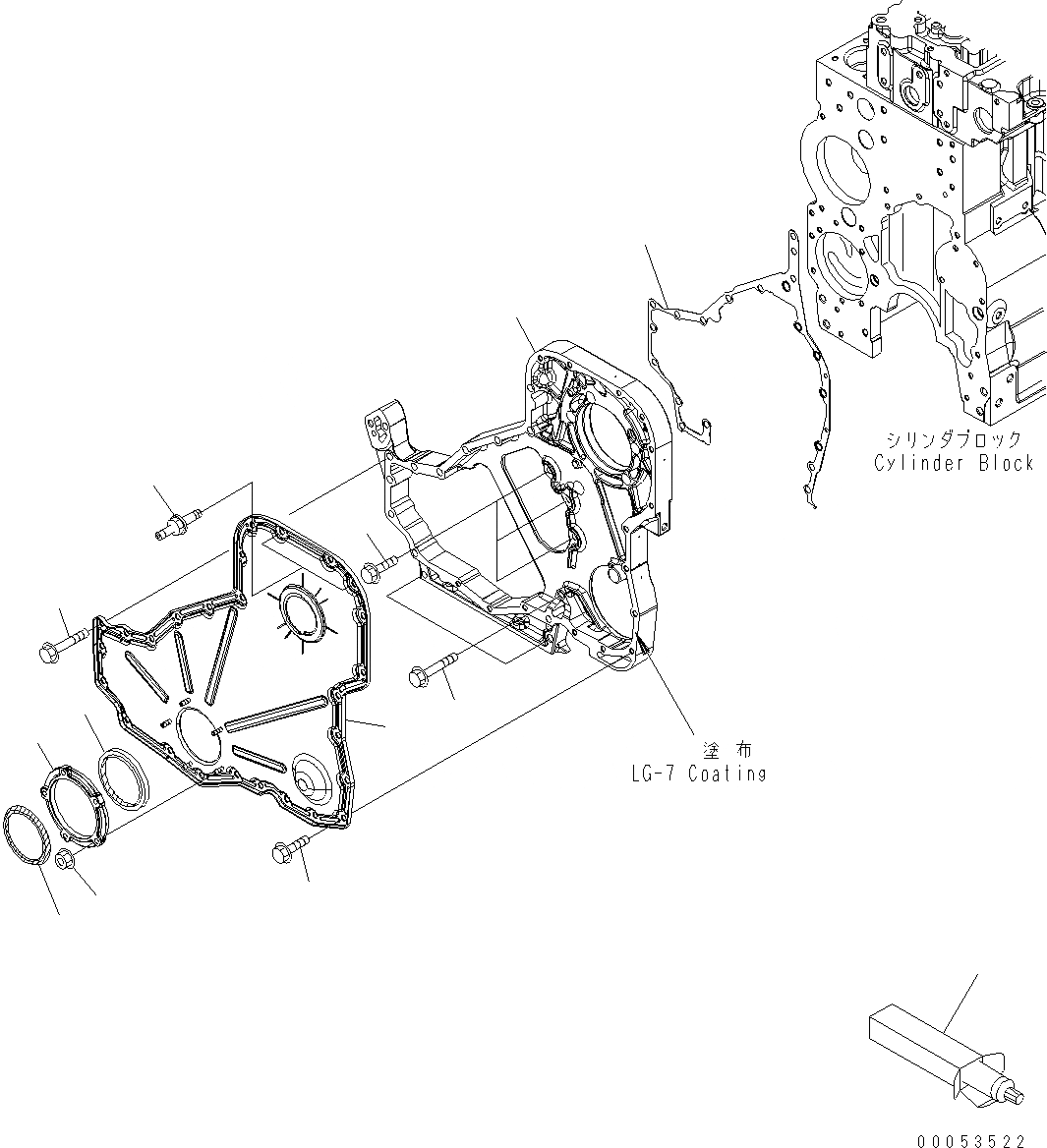
Запчасти Komatsu WA430-6 ПЕРЕДН. КОЖУХ ШЕСТЕРЕН. ПЕРЕДАЧИ AA ДВИГАТЕЛЬ

Схема запчастей Komatsu WA430-6 - ПЕРЕДН. КОЖУХ ШЕСТЕРЕН. ПЕРЕДАЧИ AA ДВИГАТЕЛЬ
4
3
10
9
8
3
2
4
1
2
4
3
3
4
3
3
12
5
4
1
6
7
5
6
6
9
11
8
7
6
11
4
1
2
12
11
9
3
14
10
7
13
8
6
FIT
1:1
100%

Артикул

Название

Примечание

Количество

1

CU4997721

HOUSING

SN: 21628024-UP

1шт.

2

6742-01-0540

BOLT

SN: 21628024-UP

3шт.

3

6741-21-3820

BOLT

SN: 21628024-UP

3шт.

4

6741-21-3810

GASKET, GEAR HOUSING (K1)

SN: 21628024-UP

1шт.

|$5

6742-01-0550

SEAL

SN: 21628024-UP

1шт.

5

6742-01-5542

TOOL (NOT SHOWN)

SN: 21628024-UP

1шт.

6

6742-01-0950

SEAL, OIL

SN: 21628024-UP

1шт.

7

6741-21-3540

NUT

SN: 21628024-UP

5шт.

8

6741-21-3530

CARRIER, SEAL

SN: 21628024-UP

1шт.

9

6741-21-3310

COVER, GEAR

SN: 21628024-UP

1шт.

10

6736-21-5310

BOLT

SN: 21628024-UP

13шт.

11

6742-01-0530

BOLT

SN: 21628024-UP

11шт.

12

6735-21-7240

STUD

SN: 21628024-UP

2шт.

13

6742-01-3320

SHIELD

SN: 21628024-UP

1шт.

14

09920-00150

LIQUID GASKET

SN: 21628024-UP

-26шт.

Выбрано товаров: 15