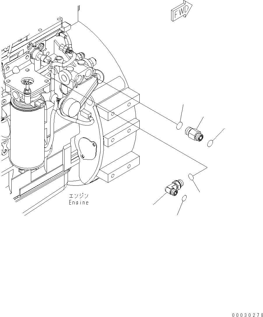
Запчасти Komatsu WA430-6 ДВИГАТЕЛЬ (ТОПЛИВН. ЛИНИЯ) B КОМПОНЕНТЫ ДВИГАТЕЛЯ

Схема запчастей Komatsu WA430-6 - ДВИГАТЕЛЬ (ТОПЛИВН. ЛИНИЯ) B КОМПОНЕНТЫ ДВИГАТЕЛЯ
2
4
5
7
1
6
8
9
3
5
4
6
1
3
2
FIT
1:1
100%

Артикул

Название

Примечание

Количество

1

207-62-83950

ELBOW

SN: H60051-UP

1шт.

2

415-62-11560

O-RING

SN: H60051-UP

1шт.

3

02896-11009

O-RING

SN: H60051-UP

1шт.

4

23B-60-41260

UNION

SN: H60051-UP

1шт.

5

418-62-11620

O-RING

SN: H60051-UP

1шт.

6

02896-11012

O-RING

SN: H60051-UP

1шт.

Выбрано товаров: 6