Запчасти Komatsu WA430-6 САПУН КАРТЕРА И ТРУБКА AA ДВИГАТЕЛЬ

Схема запчастей Komatsu WA430-6 - САПУН КАРТЕРА И ТРУБКА AA ДВИГАТЕЛЬ
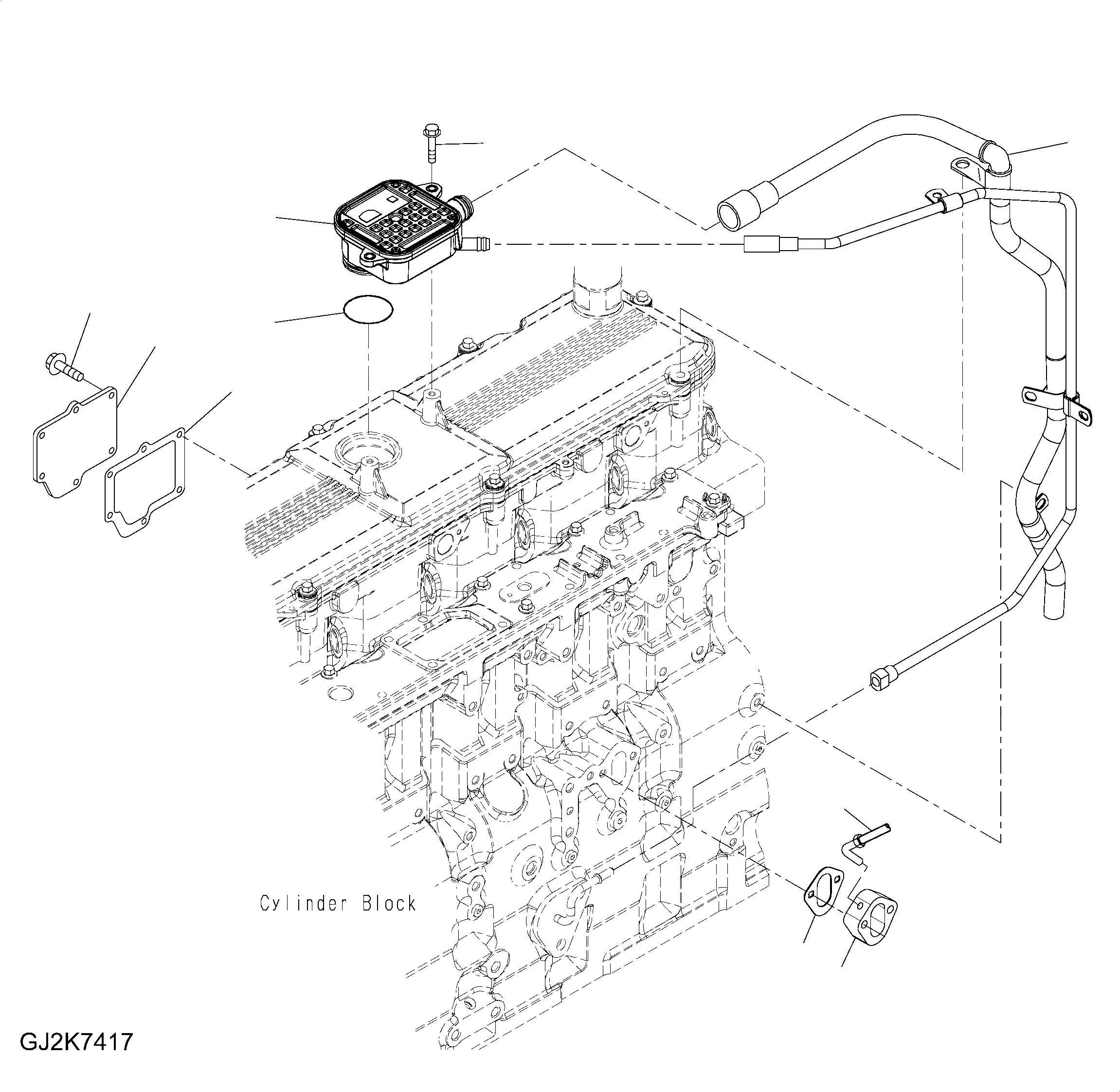
1
2
3
4
5
6
7
1
2
3
4
5
9
10
6
7
8
FIT
1:1
100%

Артикул

Название

Примечание

Количество

1

6735-71-5190

BOLT

SN: 21628024-UP

2шт.

2

6735-71-6610

GASKET, COVER PLATE (K1/K2)

SN: 21628024-UP

1шт.

|$3

6745-21-7110

HOUSING, BREATHER

SN: 21628024-UP

1шт.

3

6745-21-7120

SEAL

SN: 21628024-UP

1шт.

4

6745-21-7130

HOUSING, BREATHER

SN: 21628024-UP

1шт.

5

6743-22-5150

GASKET, BREATHER

SN: 21628024-UP

1шт.

|$7

CU3976096

STUD

SN: 21628024-UP

1шт.

6

0

SPACER, MOUNTING

SN: 21628024-UP

1шт.

7

0

TUBE, OIL DRAIN

SN: 21628024-UP

1шт.

8

CU4932877

TUBE, OIL DRAIN

SN: 21628024-UP

1шт.

9

6738-22-4110

BOLT

SN: 21628024-UP

6шт.

10

6741-21-7610

PLATE, BREATHER

SN: 21628024-UP

1шт.

Выбрано товаров: 12