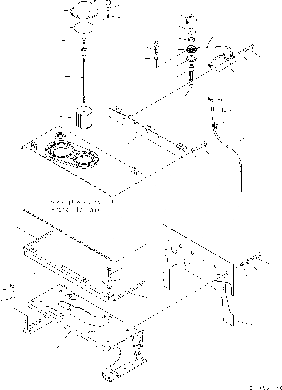
Запчасти Komatsu WA430-6E0 ГИДР. БАК. (КОРПУС) H ГИДРАВЛИКА

Схема запчастей Komatsu WA430-6E0 - ГИДР. БАК. (КОРПУС) H ГИДРАВЛИКА
24
25
34
23
33
37
36
35
33
29
30
32
31
1
2
4
3
6
5
7
8
9
10
11
12
13
14
15
16
17
18
19
20
18
21
22
26
28
27
FIT
1:1
100%

Артикул

Название

Примечание

Количество

|$1

423-60-45440

STRAINER ASSEMBLY

SN: H60266-UP

1шт.

1

22B-60-11160

STRAINER

SN: H60266-UP

1шт.

2

423-60-45450

ROD A.

SN: H60266-UP

1шт.

3

12R-60-11230

SPRING

SN: H60266-UP

1шт.

4

20Y-60-21320

HOLDER

SN: H60266-UP

1шт.

5

423-60-45570

COVER

SN: H60266-UP

1шт.

6

07000-15160

O-RING

SN: H60266-UP

1шт.

7

01010-81230

BOLT

SN: H60266-UP

6шт.

8

01643-31232

WASHER

SN: H60266-UP

6шт.

9

423-60-35411

CAP ASSEMBLY

SN: H60266-UP

1шт.

10

423-60-35421

BREATHER

SN: H60266-UP

1шт.

11

423-60-35460

ELEMENT

SN: H60266-UP

1шт.

12

423-60-35430

FILLER

SN: H60266-UP

1шт.

13

20Y-60-21340

GASKET

SN: H60266-UP

1шт.

14

01252-70516

BOLT

SN: H60266-UP

6шт.

15

01601-20513

WASHER

SN: H60266-UP

6шт.

16

11Y-09-11120

CLIP

SN: H60266-UP

1шт.

17

423-60-45491

HOSE

SN: H60266-UP

1шт.

18

04434-51312

CLIP

SN: H60266-UP

6шт.

19

01010-81016

BOLT

SN: H60266-UP

5шт.

20

01643-31032

WASHER

SN: H60266-UP

5шт.

21

07056-10045

STRAINER

SN: H60266-UP

1шт.

22

04065-04718

RING

SN: H60266-UP

1шт.

23

424-60-41212

BRACKET

SN: H60266-UP

1шт.

24

01010-81630

BOLT

SN: H60266-UP

4шт.

25

01643-31645

WASHER

SN: H60266-UP

6шт.

26

423-60-45331

BRACKET

SN: H60266-UP

1шт.

27

01010-81225

BOLT

SN: H60266-UP

4шт.

28

01643-31232

WASHER

SN: H60266-UP

4шт.

29

424-60-41222

SHEET

SN: H60266-UP

1шт.

30

203-54-62670

COLLAR

SN: H60266-UP

7шт.

31

01010-81025

BOLT

SN: H60266-UP

7шт.

32

01643-31032

WASHER

SN: H60266-UP

7шт.

33

423-54-48440

SHEET

SN: H60266-UP

2шт.

34

423-54-48460

SHEET

SN: H60266-UP

1шт.

35

103-54-21160

COLLAR

SN: H60266-UP

4шт.

36

01010-81025

BOLT

SN: H60266-UP

4шт.

37

01643-31032

WASHER

SN: H60266-UP

4шт.

Выбрано товаров: 38