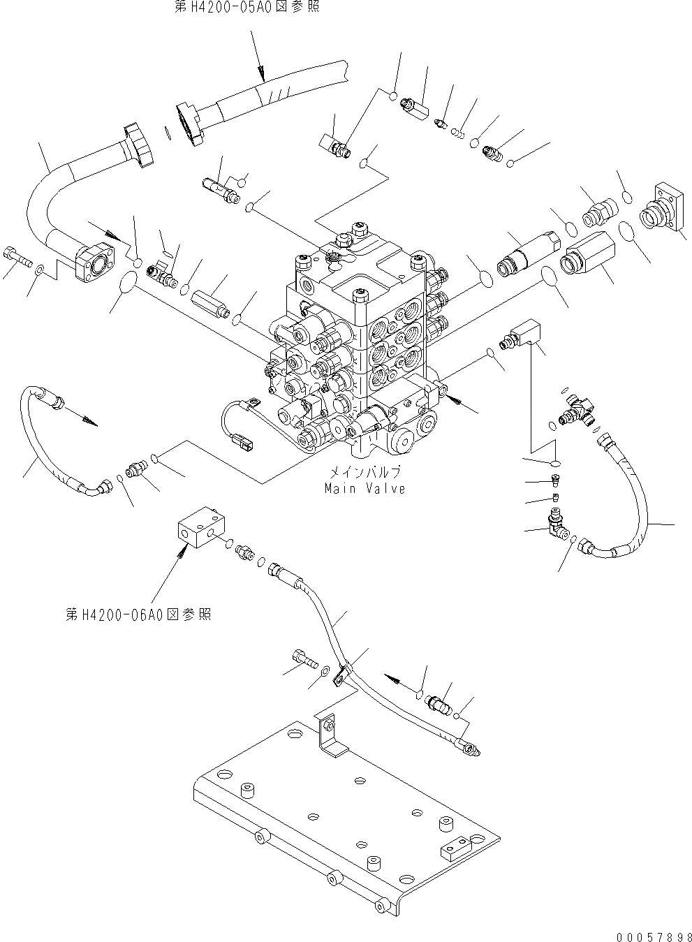
Запчасти Komatsu WA430-6E0 ОСНОВН. КЛАПАН (ПАТРУБОК) (ДЛЯ 3-Х СЕКЦИОНН. КЛАПАН) H ГИДРАВЛИКА

Схема запчастей Komatsu WA430-6E0 - ОСНОВН. КЛАПАН (ПАТРУБОК) (ДЛЯ 3-Х СЕКЦИОНН. КЛАПАН) H ГИДРАВЛИКА
39
40
37
38
36
34
35
42
41
43
44
24
25
23
22
47
48
45
46
49
50
19
21
20
10
11
17
12
13
14
15
16
18
6
5
8
7
9
27
26
2
1
4
3
32
30
29
28
31
33
a
a
b
b
\SEE FIG.H4200-04A5
\SEE FIG.H4200-03A0
FIT
1:1
100%

Артикул

Название

Примечание

Количество

1

203-62-63740

JOINT

SN: H60266-UP

1шт.

2

07002-13334

O-RING

SN: H60266-UP

1шт.

3

203-973-5750

NIPPLE

SN: H60266-UP

1шт.

4

07002-13334

O-RING

SN: H60266-UP

1шт.

5

423-62-34442

JOINT

SN: H60266-UP

1шт.

6

07000-B3024

O-RING

SN: H60266-UP

1шт.

7

02781-00628

UNION

SN: H60266-UP

1шт.

8

07002-62434

O-RING

SN: H60266-UP

1шт.

9

02896-61018

O-RING

SN: H60266-UP

1шт.

10

20Y-62-23541

ELBOW

SN: H60266-UP

1шт.

11

07002-11423

O-RING

SN: H60266-UP

1шт.

|$12

20Y-62-41701

VALVE ASSEMBLY

SN: H60266-UP

1шт.

12

20Y-60-22210

BODY

SN: H60266-UP

1шт.

13

20Y-60-22270

POPPET

SN: H60266-UP

1шт.

14

701-20-61230

SPRING

SN: H60266-UP

1шт.

15

07002-11423

O-RING

SN: H60266-UP

1шт.

16

20Y-62-47630

NIPPLE

SN: H60266-UP

1шт.

17

07002-11423

O-RING

SN: H60266-UP

1шт.

18

02896-11008

O-RING

SN: H60266-UP

1шт.

19

02782-10212

ELBOW

SN: H60266-UP

1шт.

20

07002-11423

O-RING

SN: H60266-UP

1шт.

21

02896-11008

O-RING

SN: H60266-UP

1шт.

22

423-62-34190

TUBE

SN: H60266-UP

1шт.

23

07000-13035

O-RING

SN: H60266-UP

1шт.

24

01252-71040

BOLT

SN: H60266-UP

4шт.

25

01643-51032

WASHER

SN: H60266-UP

4шт.

26

21W-62-35820

ELBOW

SN: H60266-UP

1шт.

27

07002-11423

O-RING

SN: H60266-UP

1шт.

|$29

423-62-43590

VALVE ASSEMBLY

SN: H60266-UP

1шт.

28

423-62-43610

ELBOW

SN: H60266-UP

1шт.

29

203-60-62320

POPPET

SN: H60266-UP

1шт.

30

423-62-35310

PLUG

SN: H60266-UP

1шт.

31

02896-11009

O-RING

SN: H60266-UP

1шт.

32

07002-11423

O-RING

SN: H60266-UP

1шт.

33

02761-00303

HOSE

SN: H60266-UP

1шт.

34

02782-10210

ELBOW

SN: H60266-UP

1шт.

35

02896-11008

O-RING

SN: H60266-UP

1шт.

36

07002-11423

O-RING

SN: H60266-UP

1шт.

37

423-62-43620

HOSE

SN: H60266-UP

1шт.

38

04434-51010

CLIP

SN: H60266-UP

1шт.

39

01010-81020

BOLT

SN: H60266-UP

1шт.

40

01643-31032

WASHER

SN: H60266-UP

1шт.

41

02781-0021D

UNION

SN: H60266-UP

1шт.

42

02896-11008

O-RING

SN: H60266-UP

1шт.

43

07002-11423

O-RING

SN: H60266-UP

1шт.

44

423-62-43740

HOSE

SN: H60266-UP

1шт.

45

20Y-62-45710

TEE

SN: H60266-UP

1шт.

46

07002-11423

O-RING

SN: H60266-UP

1шт.

47

02896-11009

O-RING

SN: H60266-UP

1шт.

48

02896-11008

O-RING

SN: H60266-UP

1шт.

49

207-62-62460

ADAPTER

SN: H60266-UP

1шт.

50

07002-11423

O-RING

SN: H60266-UP

1шт.

\SEE FIG.H4200-0

-1шт.

\SEE FIG.H4200-0

-1шт.

Выбрано товаров: 54