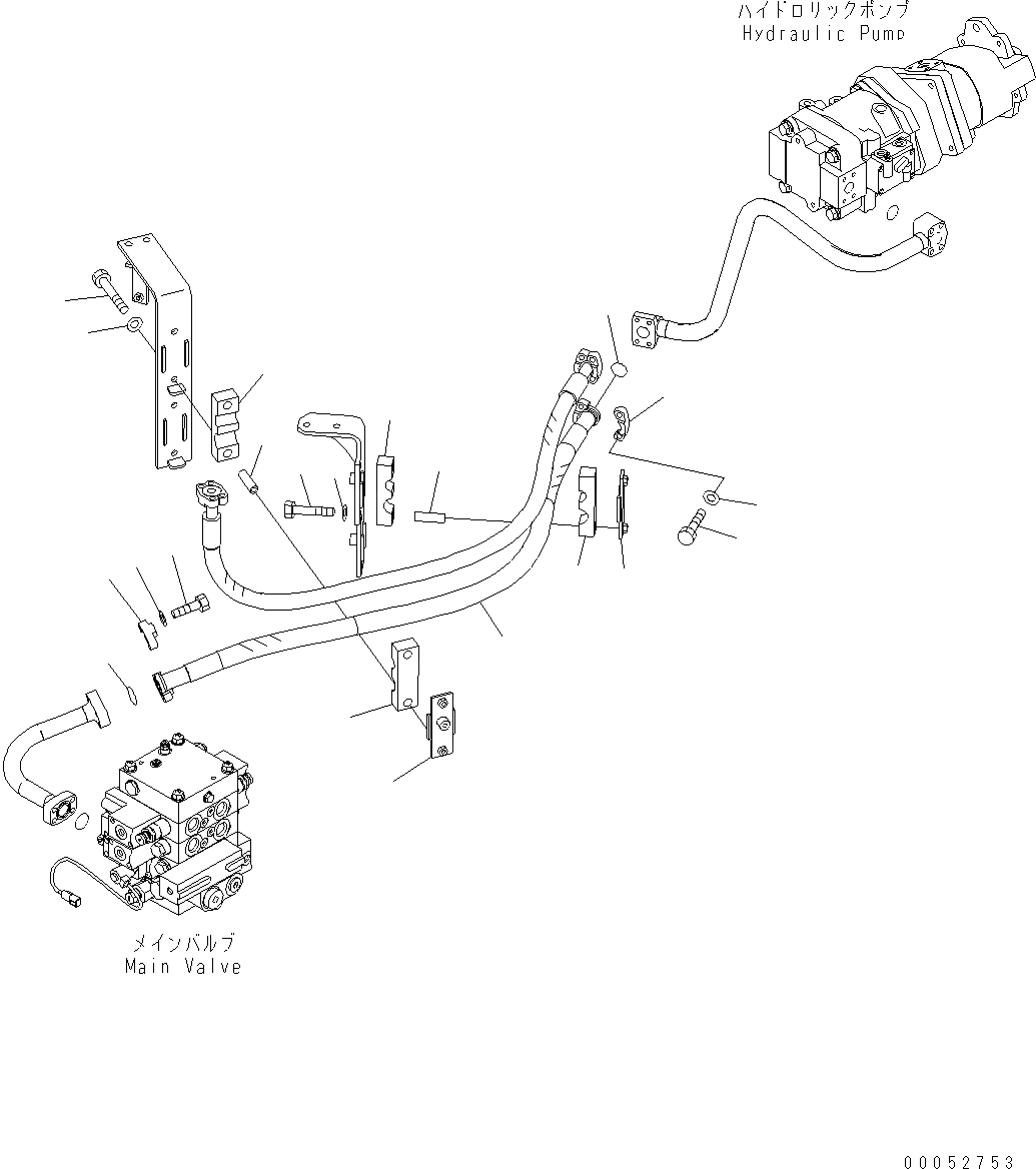
Запчасти Komatsu WA430-6E0 ГИДРОЛИНИЯ (ЛИНИЯ ПОДАЧИ) H ГИДРАВЛИКА

Схема запчастей Komatsu WA430-6E0 - ГИДРОЛИНИЯ (ЛИНИЯ ПОДАЧИ) H ГИДРАВЛИКА
8
9
11
12
8
9
10
12
1
11
7
2
3
5
4
10
6
4
5
3
2
FIT
1:1
100%

Артикул

Название

Примечание

Количество

1

424-62-43710

HOSE

SN: H60266-UP

1шт.

2

07000-13032

O-RING

SN: H60266-UP

2шт.

3

07371-31049

FLANGE, SPLIT

SN: H60266-UP

4шт.

4

07372-21035

BOLT

SN: H60266-UP

8шт.

5

01643-51032

WASHER

SN: H60266-UP

8шт.

6

423-62-43221

PLATE

SN: H60266-UP

1шт.

7

423-62-43211

PLATE

SN: H60266-UP

1шт.

8

01010-81090

BOLT

SN: H60266-UP

4шт.

9

01643-31032

WASHER

SN: H60266-UP

4шт.

10

423-62-34250

RUBBER

SN: H60266-UP

2шт.

11

423-62-35270

RUBBER

SN: H60266-UP

2шт.

12

417-62-23690

SPACER

SN: H60266-UP

4шт.

Выбрано товаров: 12