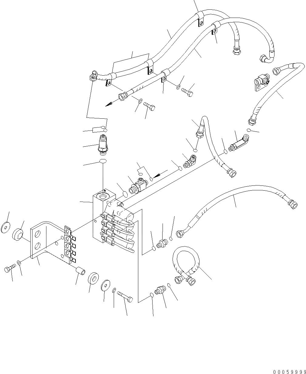
Запчасти Komatsu WA430-6E0 ГИДРОЛИНИЯ (E.P.C. КЛАПАН ТРУБЫ) (ДЛЯ 3-Х СЕКЦИОНН. КЛАПАН) H ГИДРАВЛИКА

Схема запчастей Komatsu WA430-6E0 - ГИДРОЛИНИЯ (E.P.C. КЛАПАН ТРУБЫ) (ДЛЯ 3-Х СЕКЦИОНН. КЛАПАН) H ГИДРАВЛИКА
15
14
15
13
11
12
1
7
9
3
4
2
10
8
7
6
5
26
25
27
28
30
29
31
32
19
18
20
38
37
39
40
34
33
35
36
17
16
22
24
23
21
22
a
a
FIT
1:1
100%

Артикул

Название

Примечание

Количество

1

702-21-07142

VALVE ASSEMBLY

SN: H60266-UP

1шт.

2

423-877-4370

BRACKET

SN: H60266-UP

1шт.

3

01010-81025

BOLT

SN: H60266-UP

3шт.

4

01643-31032

WASHER

SN: H60266-UP

3шт.

5

01010-81050

BOLT

SN: H60266-UP

2шт.

6

01643-31032

WASHER

SN: H60266-UP

2шт.

7

415-64-13120

WASHER

SN: H60266-UP

4шт.

8

415-64-13130

CUSHION

SN: H60266-UP

2шт.

9

419-43-17930

CUSHION

SN: H60266-UP

2шт.

10

421-62-18560

SPACER

SN: H60266-UP

2шт.

11

19M-61-35140

TEE

SN: H60266-UP

1шт.

12

07002-12034

O-RING

SN: H60266-UP

1шт.

13

02896-11009

O-RING

SN: H60266-UP

2шт.

14

424-62-44390

HOSE

SN: H60266-UP

1шт.

15

04434-51512

CLIP

SN: H60266-UP

3шт.

16

01010-81020

BOLT

SN: H60266-UP

1шт.

17

01643-31032

WASHER

SN: H60266-UP

1шт.

18

19M-61-35140

TEE

SN: H60266-UP

1шт.

19

07002-12034

O-RING

SN: H60266-UP

1шт.

20

02896-11009

O-RING

SN: H60266-UP

2шт.

21

424-62-44410

HOSE

SN: H60266-UP

1шт.

22

04434-51512

CLIP

SN: H60266-UP

2шт.

23

01010-81020

BOLT

SN: H60266-UP

2шт.

24

01643-31032

WASHER

SN: H60266-UP

2шт.

25

424-62-33340

NIPPLE

SN: H60266-UP

1шт.

26

07002-11423

O-RING

SN: H60266-UP

1шт.

27

02896-11009

O-RING

SN: H60266-UP

1шт.

28

02763-00304

HOSE

SN: H60266-UP

1шт.

29

424-62-33340

NIPPLE

SN: H60266-UP

1шт.

30

07002-11423

O-RING

SN: H60266-UP

1шт.

31

02896-11009

O-RING

SN: H60266-UP

1шт.

32

02764-003A4

HOSE

SN: H60266-UP

1шт.

33

02782-10312

ELBOW

SN: H60266-UP

1шт.

34

07002-11423

O-RING

SN: H60266-UP

1шт.

35

02896-11009

O-RING

SN: H60266-UP

1шт.

36

02763-00305

HOSE

SN: H60266-UP

1шт.

37

02782-10311

ELBOW

SN: H60266-UP

1шт.

38

07002-11423

O-RING

SN: H60266-UP

1шт.

39

02896-11009

O-RING

SN: H60266-UP

1шт.

40

02762-00304

HOSE

SN: H60266-UP

1шт.

Выбрано товаров: 40