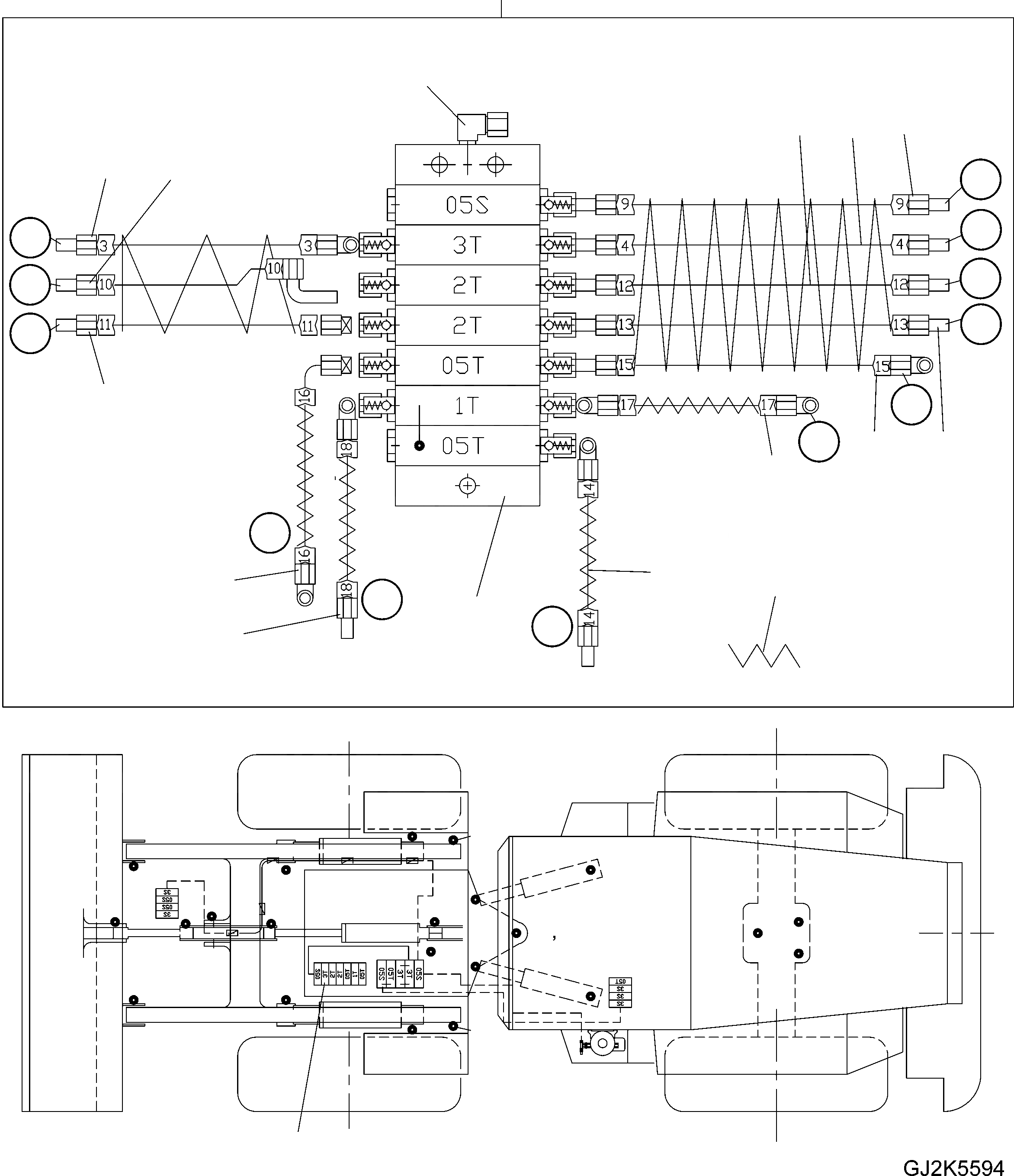
Запчасти Komatsu WA430-6E0 CENTRAL СМАЗКА (PROGRESSIVE ФИДЕР) (ПЕРЕДН. РАМА) (/) J ОСНОВНАЯ РАМА И ЕЕ ЧАСТИ

Схема запчастей Komatsu WA430-6E0 - CENTRAL СМАЗКА (PROGRESSIVE ФИДЕР) (ПЕРЕДН. РАМА) (/) J ОСНОВНАЯ РАМА И ЕЕ ЧАСТИ
12
13
15
1
5
4
3
6
7
8
16
9
2
10
11
14
1
003
003
004
004
009
009
010
010
011
011
012
012
013
013
014
014
015
015
016
016
017
017
018
018
FIT
1:1
100%

Артикул

Название

Примечание

Количество

1

0

PROGRESSIVE FEEDER

SN: H60266-UP

1шт.

2

421-09-H4530

PROGRESSIVE FEEDER

SN: H60266-UP

1шт.

3

425-09-H0540

HOSE

SN: H60266-UP

1шт.

4

424-09-H1710

HOSE

SN: H60266-UP

1шт.

5

424-09-H1720

HOSE

SN: H60266-UP

1шт.

6

424-09-H1690

HOSE

SN: H60266-UP

1шт.

7

424-09-H1960

HOSE

SN: H60266-UP

1шт.

8

424-09-H1900

HOSE

SN: H60266-UP

1шт.

9

424-09-H1950

HOSE

SN: H60266-UP

1шт.

10

424-09-H1760

HOSE

SN: H60266-UP

1шт.

11

424-09-H1890

HOSE

SN: H60266-UP

1шт.

12

424-09-H1970

HOSE

SN: H60266-UP

1шт.

13

424-09-H1980

HOSE

SN: H60266-UP

1шт.

14

424-09-H1990

HOSE

SN: H60266-UP

1шт.

15

421-09-H3150

ELBOW

SN: H60266-UP

1шт.

16

419-09-H3150

SPIRAL HOSE

SN: H60266-UP

6шт.

003

LIFT FRAME BEARING LEFT

-1шт.

004

LIFT FRAME BEARING RIGHT

-1шт.

009

BUCKET CYLINDER

-1шт.

010

LIFT CYLINDER LEFT REAR

-1шт.

011

LIFT CYLINDER LEFT FRONT

-1шт.

012

LIFT CYLINDER RIGHT REAR

-1шт.

013

LIFT CYLINDER RIGHT FRONT

-1шт.

014

DRIVE SHAFT BEARING

-1шт.

015

STEERING CYLINDER FRONT RIGHT

-1шт.

016

STEERING CYLINDER FRONT LEFT

-1шт.

017

HINGE PIN BOTTOM

-1шт.

018

HINGE PIN TOP

-1шт.

Выбрано товаров: 28