Запчасти Komatsu WA430-6E0 OPERATORґS СИДЕНЬЕ (СОЛЕНОИДНЫЙ КЛАПАН И Э/ПРОВОДКА) (ДЛЯ УПРАВЛ-Е ДЖОЙСТИКОМ) K OPERATORґS ОБСТАНОВКА И СИСТЕМА УПРАВЛЕНИЯ

Схема запчастей Komatsu WA430-6E0 - OPERATORґS СИДЕНЬЕ (СОЛЕНОИДНЫЙ КЛАПАН И Э/ПРОВОДКА) (ДЛЯ УПРАВЛ-Е ДЖОЙСТИКОМ) K OPERATORґS ОБСТАНОВКА И СИСТЕМА УПРАВЛЕНИЯ
7
9
2
a
8
a
b
b
9
5
17
6
16
4
3
17
17
15
14
16
16
15
13
13
27
28
26
12
25
21
24
10
11
20
19
23
22
18
1
18
20
19
FIT
1:1
100%

Артикул

Название

Примечание

Количество

1

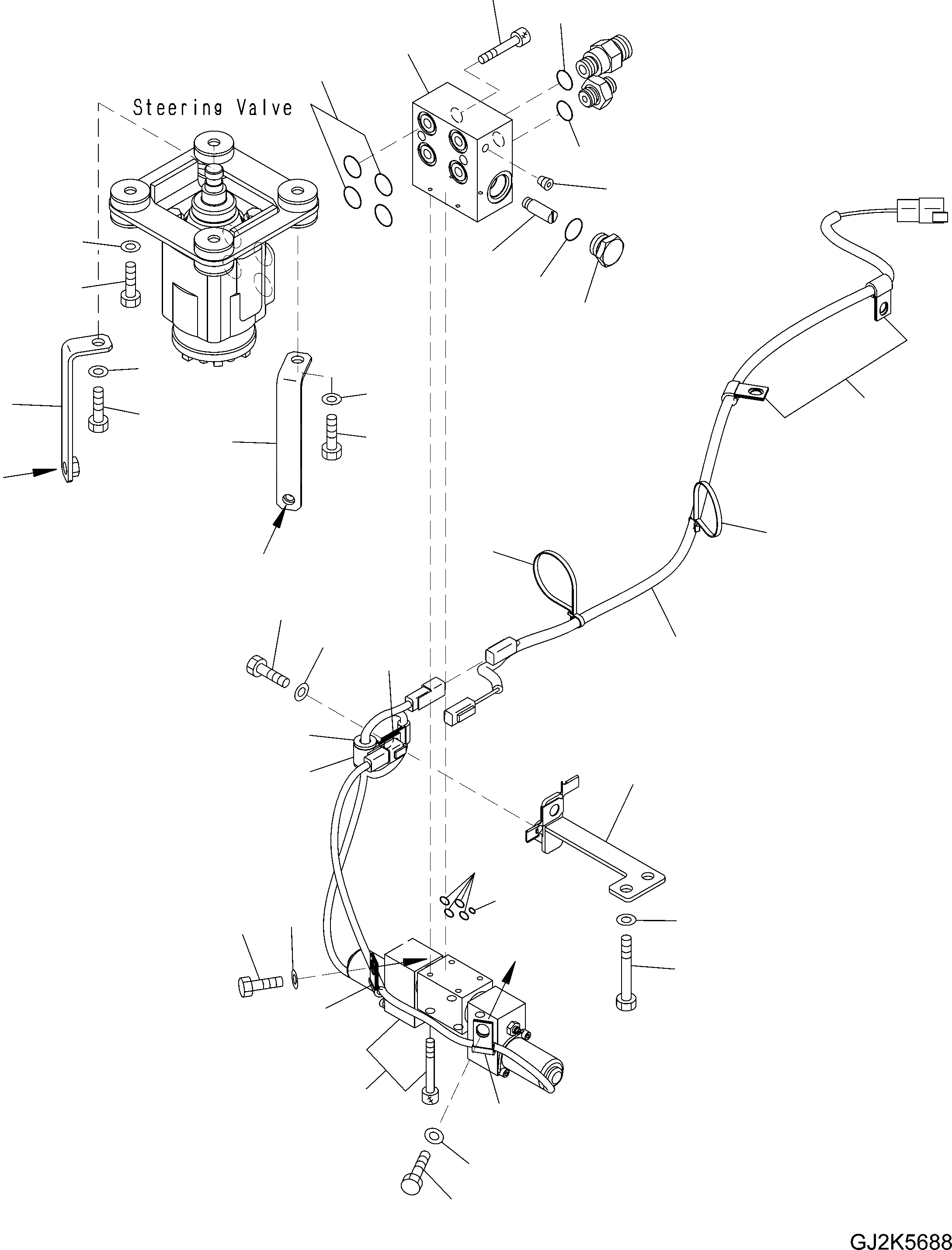
421-S33-3911

VALVE ASSY

SN: H60266-UP

1шт.

|$2

421-S33-3921

BLOCK ASSEMBLY

SN: H60266-UP

1шт.

2

421-S33-3931

BLOCK

SN: H60266-UP

1шт.

3

421-S33-3940

PLUG

SN: H60266-UP

1шт.

4

07002-12434

O-RING

SN: H60266-UP

1шт.

5

07043-70108

PLUG

SN: H60266-UP

5шт.

6

22W-62-17190

FILTER

SN: H60266-UP

1шт.

7

02101-10651

SCREW

SN: H60266-UP

2шт.

8

07000-12022

O-RING

SN: H60266-UP

4шт.

9

415-62-11560

O-RING

SN: H60266-UP

2шт.

10

427-S33-1920

O-RING

SN: H60266-UP

4шт.

11

07000-B1103

O-RING

SN: H60266-UP

1шт.

12

423-S33-4370

WIRING HARNESS

SN: H60266-UP

1шт.

13

08034-40521

BAND

SN: H60266-UP

2шт.

14

04434-51012

CLIP

SN: H60266-UP

1шт.

15

423-S33-4320

BRACKET

SN: H60266-UP

2шт.

16

01010-81255

BOLT

SN: H60266-UP

4шт.

17

01643-31232

WASHER

SN: H60266-UP

4шт.

18

04434-50612

CLIP

SN: H60266-UP

2шт.

19

01010-81020

BOLT

SN: H60266-UP

2шт.

20

01643-31032

WASHER

SN: H60266-UP

2шт.

21

423-S33-4380

BRACKET

SN: H60266-UP

1шт.

22

01010-81275

BOLT

SN: H60266-UP

2шт.

23

01643-31232

WASHER

SN: H60266-UP

2шт.

24

04434-51712

CLIP

SN: H60266-UP

1шт.

25

07095-20211

CUSHION

SN: H60266-UP

1шт.

26

04434-50612

CLIP

SN: H60266-UP

1шт.

27

01010-81025

BOLT

SN: H60266-UP

1шт.

28

01643-31032

WASHER

SN: H60266-UP

1шт.

Выбрано товаров: 29