Запчасти Komatsu WA430-6E0 ROPS КРЫШКА (MIRROR, КОЗЫРЕК ОТ СОЛНЦА., АНТЕННА И ГРОМКОГОВОРИТ.) K OPERATORґS ОБСТАНОВКА И СИСТЕМА УПРАВЛЕНИЯ

Схема запчастей Komatsu WA430-6E0 - ROPS КРЫШКА (MIRROR, КОЗЫРЕК ОТ СОЛНЦА., АНТЕННА И ГРОМКОГОВОРИТ.) K OPERATORґS ОБСТАНОВКА И СИСТЕМА УПРАВЛЕНИЯ
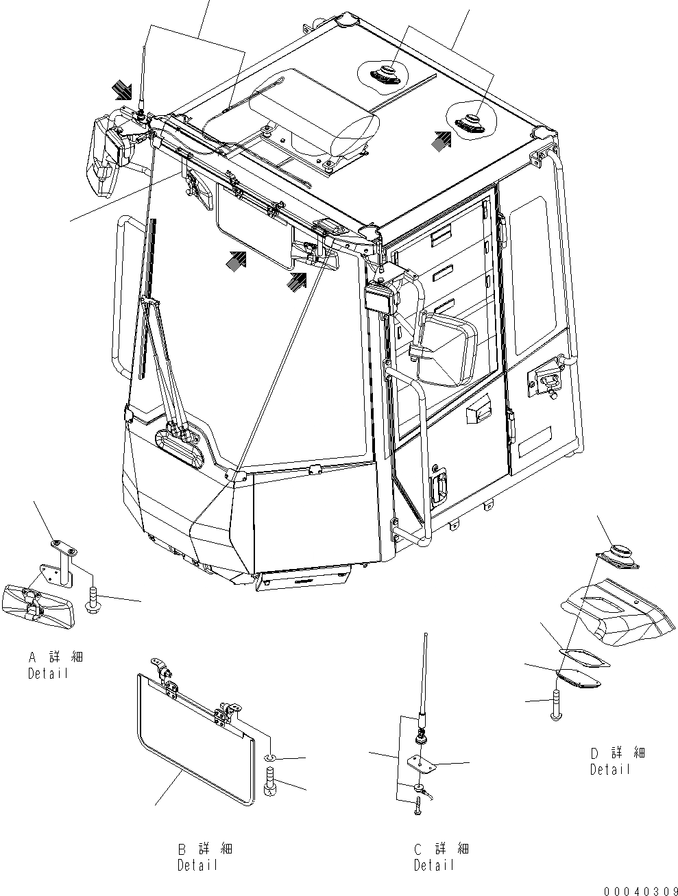
1
3
4
6
5
7
8
12
10
11
9
2
7
9
A
B
C
D
A
B
C
D
FIT
1:1
100%

Артикул

Название

Примечание

Количество

|$1

421-926-0400

ROPS CAB ASSEMBLY

SN: H60266-H60270

1шт.

1

423-925-4641

STAY, LHS

SN: H60266-H60270

1шт.

2

423-925-4651

STAY, RHS

SN: H60266-H60270

1шт.

3

01435-40620

BOLT

SN: H60266-H60270

4шт.

4

425-925-3281

SUN VISOR

SN: H60266-H60270

1шт.

5

01252-80520

BOLT

SN: H60266-H60270

4шт.

6

01601-50513

SPRING RING

SN: H60266-H60270

4шт.

7

416-56-31130

ANTENNA

SN: H60266-H60270

1шт.

8

416-926-3492

PLATE

SN: H60266-H60270

1шт.

9

11Y-979-1950

SPEAKER

SN: H60266-H60270

2шт.

10

418-967-2150

COVER

SN: H60266-H60270

2шт.

11

418-967-2230

PLATE

SN: H60266-H60270

2шт.

12

01220-40420

SCREW

SN: H60266-H60270

8шт.

Выбрано товаров: 13