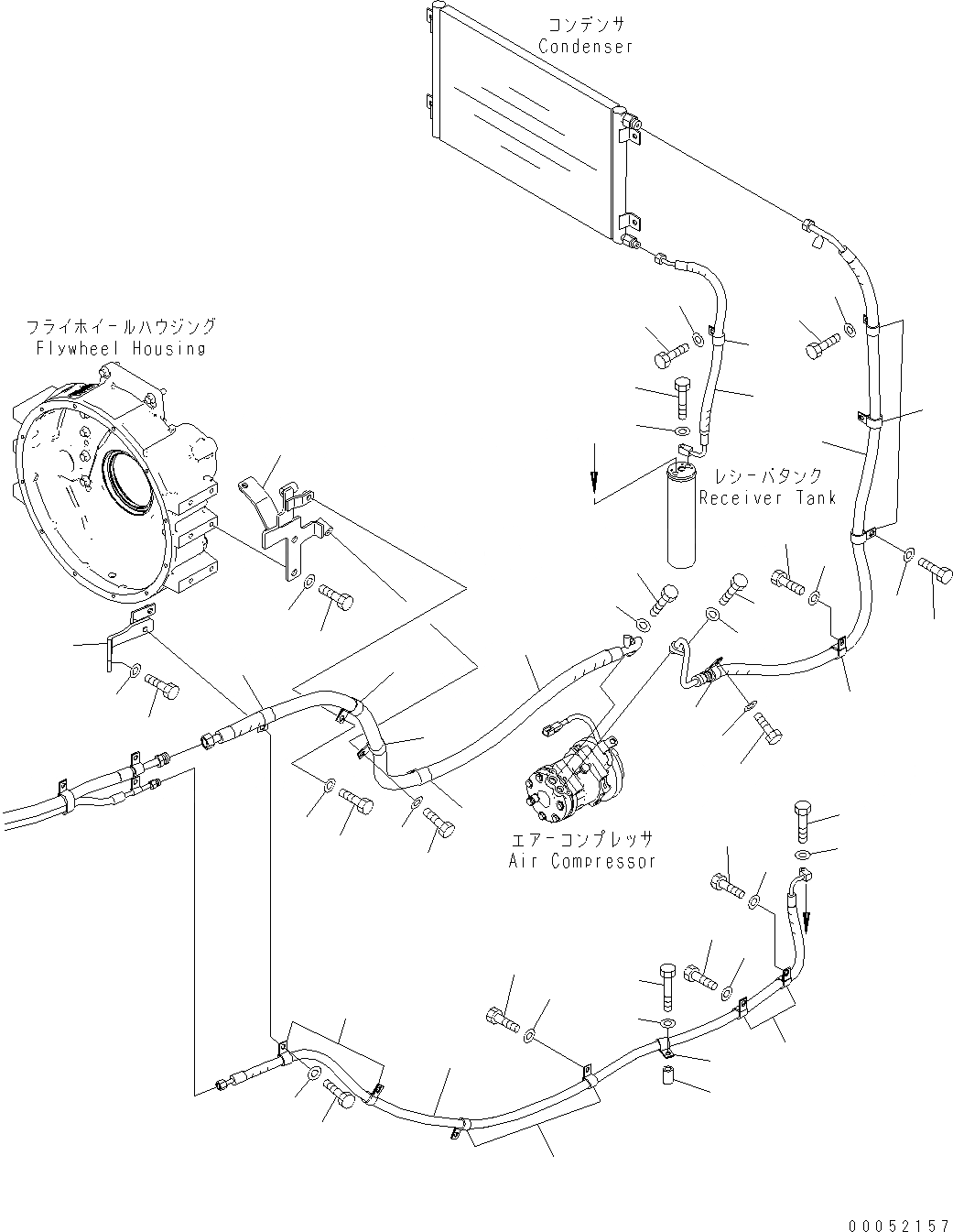
Запчасти Komatsu WA430-6E0 ТРУБКИ КОНДИЦИОНЕРА (ТРУБЫ И ЭЛЕМЕНТЫ КРЕПЛЕНИЯ) K OPERATORґS ОБСТАНОВКА И СИСТЕМА УПРАВЛЕНИЯ

Схема запчастей Komatsu WA430-6E0 - ТРУБКИ КОНДИЦИОНЕРА (ТРУБЫ И ЭЛЕМЕНТЫ КРЕПЛЕНИЯ) K OPERATORґS ОБСТАНОВКА И СИСТЕМА УПРАВЛЕНИЯ
33
35
34
5
20
19
18
5
5
5
4
30
29
7
6
7
6
7
6
8
3
8
9
10
11
12
13
8
8
14
15
16
17
31
32
21
27
26
21
29
30
23
22
24
25
21
1
2
32
31
22
23
28
22
23
a
a
FIT
1:1
100%

Артикул

Название

Примечание

Количество

1

424-S62-4215

HOSE

SN: H60551-UP

1шт.

|$2

424-S62-4214

HOSE

SN: H60266-H60550

1шт.

|$3

AN51439-D0041

O-RING

SN: H60266-UP

2шт.

2

424-S62-4223

HOSE

SN: H60266-UP

1шт.

|$5

AN51439-D0031

O-RING

SN: H60266-UP

2шт.

3

424-S62-4243

HOSE

SN: H60266-UP

1шт.

|$7

AN51439-D0031

O-RING

SN: H60266-UP

2шт.

4

424-S62-4234

HOSE

SN: H60266-UP

1шт.

|$9

AN51439-D0051

O-RING

SN: H60266-UP

2шт.

5

04434-52712

CLIP

SN: H60266-UP

4шт.

6

01010-81025

BOLT

SN: H60266-UP

4шт.

7

01643-31032

WASHER

SN: H60266-UP

4шт.

8

04434-51910

CLIP

SN: H60266-UP

7шт.

9

01010-81025

BOLT

SN: H60266-UP

1шт.

10

01643-31032

WASHER

SN: H60266-UP

1шт.

11

01010-81055

BOLT

SN: H60266-UP

1шт.

12

01643-31032

WASHER

SN: H60266-UP

1шт.

13

415-03-11210

SPACER

SN: H60266-UP

1шт.

14

01010-81025

BOLT

SN: H60266-UP

1шт.

15

01643-31032

WASHER

SN: H60266-UP

1шт.

16

01010-81020

BOLT

SN: H60266-UP

1шт.

17

01643-31032

WASHER

SN: H60266-UP

1шт.

18

424-S62-4252

BRACKET

SN: H60266-UP

1шт.

19

01010-81230

BOLT

SN: H60266-UP

2шт.

20

01643-31232

WASHER

SN: H60266-UP

2шт.

21

04434-52310

CLIP

SN: H60266-UP

5шт.

22

01010-81020

BOLT

SN: H60266-UP

3шт.

23

01643-31032

WASHER

SN: H60266-UP

3шт.

24

01010-81025

BOLT

SN: H60266-UP

1шт.

25

01643-31032

WASHER

SN: H60266-UP

1шт.

26

01010-81025

BOLT

SN: H60266-UP

1шт.

27

01643-31032

WASHER

SN: H60266-UP

1шт.

28

04434-51910

CLIP

SN: H60266-UP

1шт.

29

01010-80830

BOLT

SN: H60266-UP

2шт.

30

01643-30823

WASHER

SN: H60266-UP

2шт.

31

01010-80630

BOLT

SN: H60266-UP

2шт.

32

01643-30623

WASHER

SN: H60266-UP

2шт.

33

424-S62-4270

BRACKET

SN: H60266-UP

1шт.

34

01010-81025

BOLT

SN: H60266-UP

2шт.

35

01643-31032

WASHER

SN: H60266-UP

2шт.

Выбрано товаров: 40