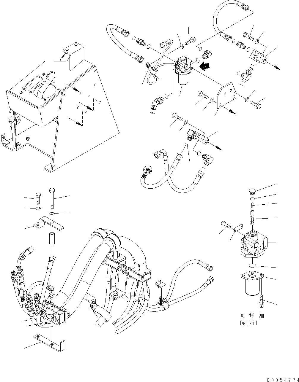
Запчасти Komatsu WA430-6E0 УПРАВЛЕНИЕ ПОГРУЗКОЙ (P.P.C. ШЛАНГИ) (/) (ДЛЯ MULTI FUNCTION MONO РЫЧАГ И НАВЕСН. ОБОРУД РЫЧАГ) K OPERATORґS ОБСТАНОВКА И СИСТЕМА УПРАВЛЕНИЯ

Схема запчастей Komatsu WA430-6E0 - УПРАВЛЕНИЕ ПОГРУЗКОЙ (P.P.C. ШЛАНГИ) (/) (ДЛЯ MULTI FUNCTION MONO РЫЧАГ И НАВЕСН. ОБОРУД РЫЧАГ) K OPERATORґS ОБСТАНОВКА И СИСТЕМА УПРАВЛЕНИЯ
32
33
27
29
30
31
28
17
11
20
18
14
13
19
12
16
15
23
24
6
7
5
11
2
3
1
4
26
25
9
10
8
22
21
a
a
b
b
c
c
A
A
FIT
1:1
100%

Артикул

Название

Примечание

Количество

1

423-V91-4271

PLATE

SN: H60266-UP

1шт.

2

01010-81020

BOLT

SN: H60266-UP

2шт.

3

01643-31032

WASHER

SN: H60266-UP

2шт.

4

423-V91-4250

BLOCK

SN: H60266-UP

1шт.

5

02896-11009

O-RING

SN: H60266-UP

1шт.

6

01010-81020

BOLT

SN: H60266-UP

2шт.

7

01643-31032

WASHER

SN: H60266-UP

2шт.

8

423-V91-4281

BLOCK

SN: H60266-UP

1шт.

9

01010-81020

BOLT

SN: H60266-UP

2шт.

10

01643-31032

WASHER

SN: H60266-UP

2шт.

|$11

20Y-60-32110

VALVE ASSEMBLY

SN: H60266-UP

1шт.

11

20Y-60-32121

SOLENOID ASSEMBLY

SN: H60266-UP

1шт.

12

NY08000-02200

PLUG

SN: H60266-UP

1шт.

13

NY06339-10200

SPRING

SN: H60266-UP

1шт.

14

NY07493-10200

SPOOL

SN: H60266-UP

1шт.

15

NY09000-11400

PLATE

SN: H60266-UP

1шт.

16

NY84110-00264

SCREW

SN: H60266-UP

2шт.

17

NY81446-05010

BOLT

SN: H60266-UP

2шт.

18

0

BLOCK

SN: H60266-UP

1шт.

19

07000-12011

O-RING

SN: H60266-UP

1шт.

20

07000-12016

O-RING

SN: H60266-UP

1шт.

21

01010-80820

BOLT

SN: H60266-UP

2шт.

22

01643-30823

WASHER

SN: H60266-UP

2шт.

23

04434-51712

CLIP

SN: H60266-UP

1шт.

24

07095-20211

CUSHION

SN: H60266-UP

1шт.

25

01010-81020

BOLT

SN: H60266-UP

1шт.

26

01643-31032

WASHER

SN: H60266-UP

1шт.

27

423-43-48371

PLATE

SN: H60266-UP

1шт.

28

423-43-48382

BRACKET

SN: H60266-UP

1шт.

29

01010-81080

BOLT

SN: H60266-UP

1шт.

30

01643-31032

WASHER

SN: H60266-UP

1шт.

31

423-43-48161

CUSHION

SN: H60266-UP

2шт.

32

01016-51030

BOLT

SN: H60266-UP

1шт.

33

01643-31032

WASHER

SN: H60266-UP

1шт.

Выбрано товаров: 34