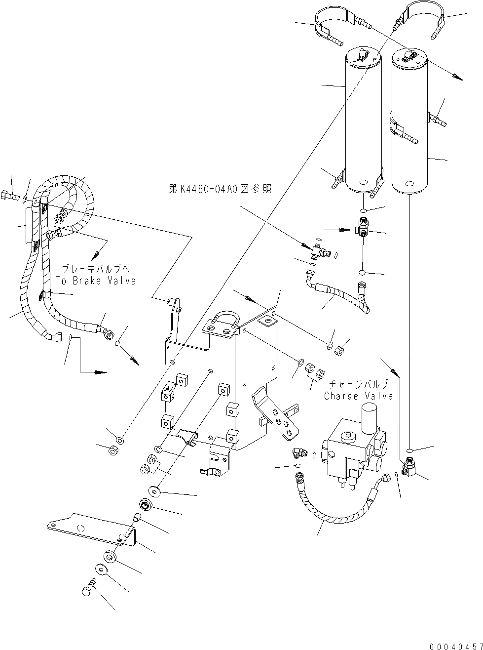
Запчасти Komatsu WA430-6E0 УПРАВЛ-Е ТОРМОЗОМ (АККУМУЛЯТОР И ЭЛЕМЕНТЫ КРЕПЛЕНИЯ) K OPERATORґS ОБСТАНОВКА И СИСТЕМА УПРАВЛЕНИЯ

Схема запчастей Komatsu WA430-6E0 - УПРАВЛ-Е ТОРМОЗОМ (АККУМУЛЯТОР И ЭЛЕМЕНТЫ КРЕПЛЕНИЯ) K OPERATORґS ОБСТАНОВКА И СИСТЕМА УПРАВЛЕНИЯ
23
24
22
22
14
15
22
16
17
11
10
9
8
9
9
9
8
13
12
21
21
1
20
11
10
11
10
19
18
19
12
13
7
3
5
2
6
4
3
10
11
a
a
b
b
c
c
\SEE FIG.K4460-04A0
FIT
1:1
100%

Артикул

Название

Примечание

Количество

1

424-43-47210

BRACKET

SN: H60266-UP

1шт.

2

423-43-47171

PLATE

SN: H60266-UP

1шт.

3

419-43-17920

WASHER

SN: H60266-UP

4шт.

4

419-43-17930

CUSHION

SN: H60266-UP

2шт.

5

415-64-13130

CUSHION

SN: H60266-UP

2шт.

6

417-54-13470

SPACER

SN: H60266-UP

2шт.

7

01010-81250

BOLT

SN: H60266-UP

2шт.

8

721-32-08190

ACCUMULATOR

SN: H60266-UP

2шт.

9

421-43-22360

BAND

SN: H60266-UP

4шт.

10

421-40-12440

NUT

SN: H60266-UP

12шт.

11

01643-31232

WASHER

SN: H60266-UP

8шт.

12

423-43-31350

ELBOW

SN: H60266-UP

2шт.

13

07002-12034

O-RING

SN: H60266-UP

2шт.

14

423-43-47321

HOSE, 1150MM

SN: H60266-UP

1шт.

15

02896-11012

O-RING

SN: H60266-UP

1шт.

16

424-43-47220

HOSE, 1080MM

SN: H60266-UP

1шт.

17

02896-11012

O-RING

SN: H60266-UP

1шт.

18

423-43-47441

HOSE, 470MM

SN: H60266-UP

1шт.

19

02896-11009

O-RING

SN: H60266-UP

2шт.

20

423-43-47450

HOSE, 400MM

SN: H60266-UP

1шт.

21

02896-11009

O-RING

SN: H60266-UP

2шт.

22

04434-51910

CLIP

SN: H60266-UP

4шт.

23

01010-81020

BOLT

SN: H60266-UP

4шт.

24

01643-31032

WASHER

SN: H60266-UP

4шт.

\SEE FIG.K4460-0

-1шт.

Выбрано товаров: 25