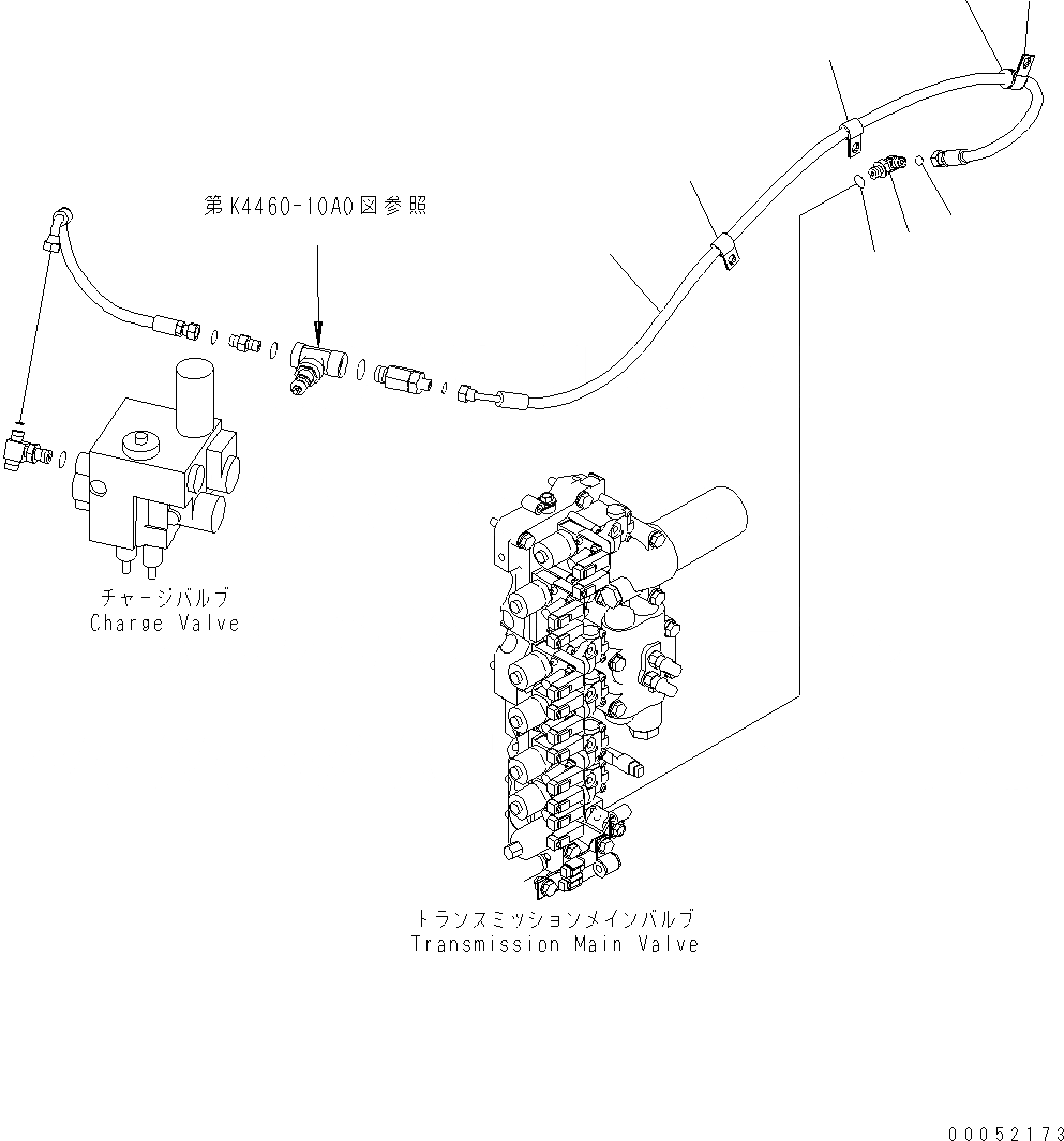
Запчасти Komatsu WA430-6E0 УПРАВЛ-Е ТОРМОЗОМ (ГИДРОЛИНИЯ СТОЯНОЧНОГО ТОРМОЗА) K OPERATORґS ОБСТАНОВКА И СИСТЕМА УПРАВЛЕНИЯ

Схема запчастей Komatsu WA430-6E0 - УПРАВЛ-Е ТОРМОЗОМ (ГИДРОЛИНИЯ СТОЯНОЧНОГО ТОРМОЗА) K OPERATORґS ОБСТАНОВКА И СИСТЕМА УПРАВЛЕНИЯ
1
5
5
7
6
3
2
4
\SEE FIG.K4460-04A0
FIT
1:1
100%

Артикул

Название

Примечание

Количество

1

424-43-47421

HOSE

SN: H60266-UP

1шт.

2

02782-10210

ELBOW

SN: H60266-UP

1шт.

3

07002-11423

O-RING

SN: H60266-UP

1шт.

4

02896-11008

O-RING

SN: H60266-UP

1шт.

5

04434-51310

CLIP

SN: H60266-UP

2шт.

6

04434-51910

CLIP

SN: H60266-UP

1шт.

7

07095-20213

CUSHION

SN: H60266-UP

1шт.

\SEE FIG.K4460-0

-1шт.

Выбрано товаров: 8