Запчасти Komatsu WA430-6E0 СПЕЦ. ОБОРУД-Е ITALY (ОПЦ.) V АКСЕССУАРЫ И ИНСТРУМЕНТ

Схема запчастей Komatsu WA430-6E0 - СПЕЦ. ОБОРУД-Е ITALY (ОПЦ.) V АКСЕССУАРЫ И ИНСТРУМЕНТ
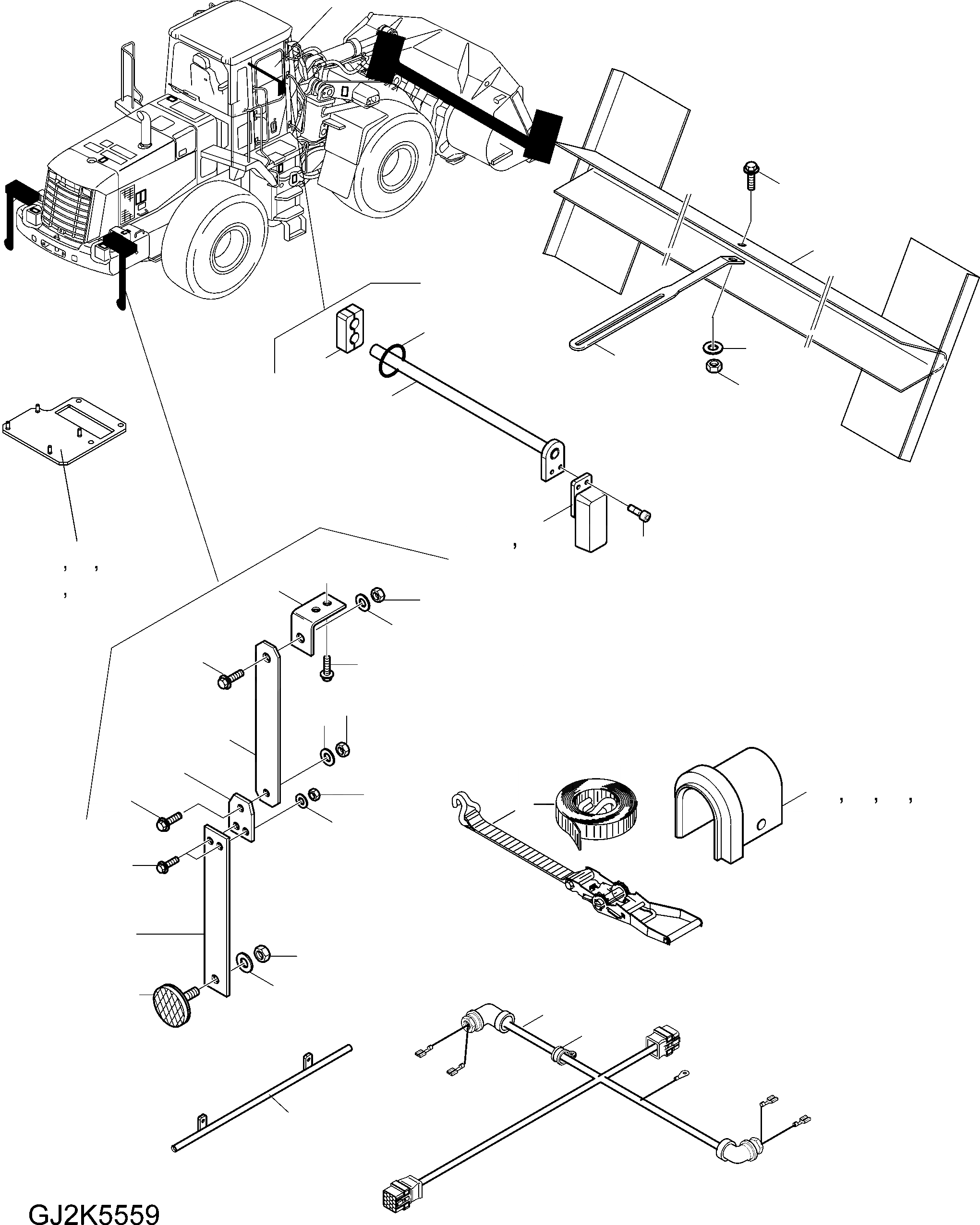
31
18
19
25
23
22
26
24
21
27
17
20
32
33
34
1
35
36
6
5
4
2
6
5
3
7
16
28
29
30
15
4
10
9
8
11
10
9
12
13
14
37
FIT
1:1
100%

Артикул

Название

Примечание

Количество

1

424-06-H7110

ANGLE

SN: H60266-UP

2шт.

2

01435-00612

BOLT

SN: H60266-UP

4шт.

3

424-06-H7120

PLATE

SN: H60266-UP

2шт.

4

01016-51035

BOLT

SN: H60266-UP

4шт.

5

01643-31032

WASHER

SN: H60266-UP

4шт.

6

421-00-H0590

NUT

SN: H60266-UP

4шт.

7

416-Z81-1140

PLATE

SN: H60266-UP

2шт.

8

01016-51035

BOLT

SN: H60266-UP

4шт.

9

01643-31032

WASHER

SN: H60266-UP

4шт.

10

421-00-H0590

NUT

SN: H60266-UP

4шт.

11

416-Z81-1240

BRACKET

SN: H60266-UP

2шт.

12

418-06-K1910

REFLECTOR REAR

SN: H60266-UP

2шт.

13

421-06-H2BM0

HARNESS

SN: H60266-UP

1шт.

14

04434-51010

CLIP

SN: H60266-UP

4шт.

15

421-98-H5010

BELT

SN: H60266-UP

1шт.

16

423-V52-H140

STOPPER

SN: H60266-UP

1шт.

17

421-06-H2AN0

BRACKET

SN: H60266-UP

2шт.

18

421-06-H2780

LAMP

SN: H60266-UP

2шт.

19

421-06-H3180

BULB

SN: H60266-UP

2шт.

20

01252-70620

BOLT

SN: H60266-UP

4шт.

21

421-09-H3940

CLIP

SN: H60266-UP

4шт.

22

421-00-H0260

BAND

SN: H60266-UP

14шт.

23

421-71-H2B20

TOOTH COVER

SN: H60266-UP

1шт.

24

419-70-H2K00

BRACKET

SN: H60266-UP

2шт.

25

01010-81060

BOLT

SN: H60266-UP

2шт.

26

01642-21016

WASHER

SN: H60266-UP

4шт.

27

01580-11008

NUT

SN: H60266-UP

2шт.

28

01011-82070

BOLT

SN: H60266-UP

1шт.

29

421-09-H2690

WASHER

SN: H60266-UP

1шт.

30

01580-12016

NUT

SN: H60266-UP

1шт.

31

421-93-H1870

DECAL, LIGHT

SN: H60266-UP

1шт.

32

421-06-H7240

PLATE, LHS

SN: H60266-UP

1шт.

33

421-06-H7250

PLATE, RHS

SN: H60266-UP

1шт.

34

01016-51030

BOLT

SN: H60266-UP

4шт.

35

421-00-H0760

WASHER

SN: H60266-UP

4шт.

36

426-09-H1140

NUT

SN: H60266-UP

4шт.

37

421-06-H2BK0

BRACKET

SN: H60266-UP

2шт.

Выбрано товаров: 0