Запчасти Komatsu WA430-6E0 ТОПЛИВН. ФИЛЬТР. (ДОПОЛН. ФИЛЬТР. СПЕЦ-Я.) AA ДВИГАТЕЛЬ

Схема запчастей Komatsu WA430-6E0 - ТОПЛИВН. ФИЛЬТР. (ДОПОЛН. ФИЛЬТР. СПЕЦ-Я.) AA ДВИГАТЕЛЬ
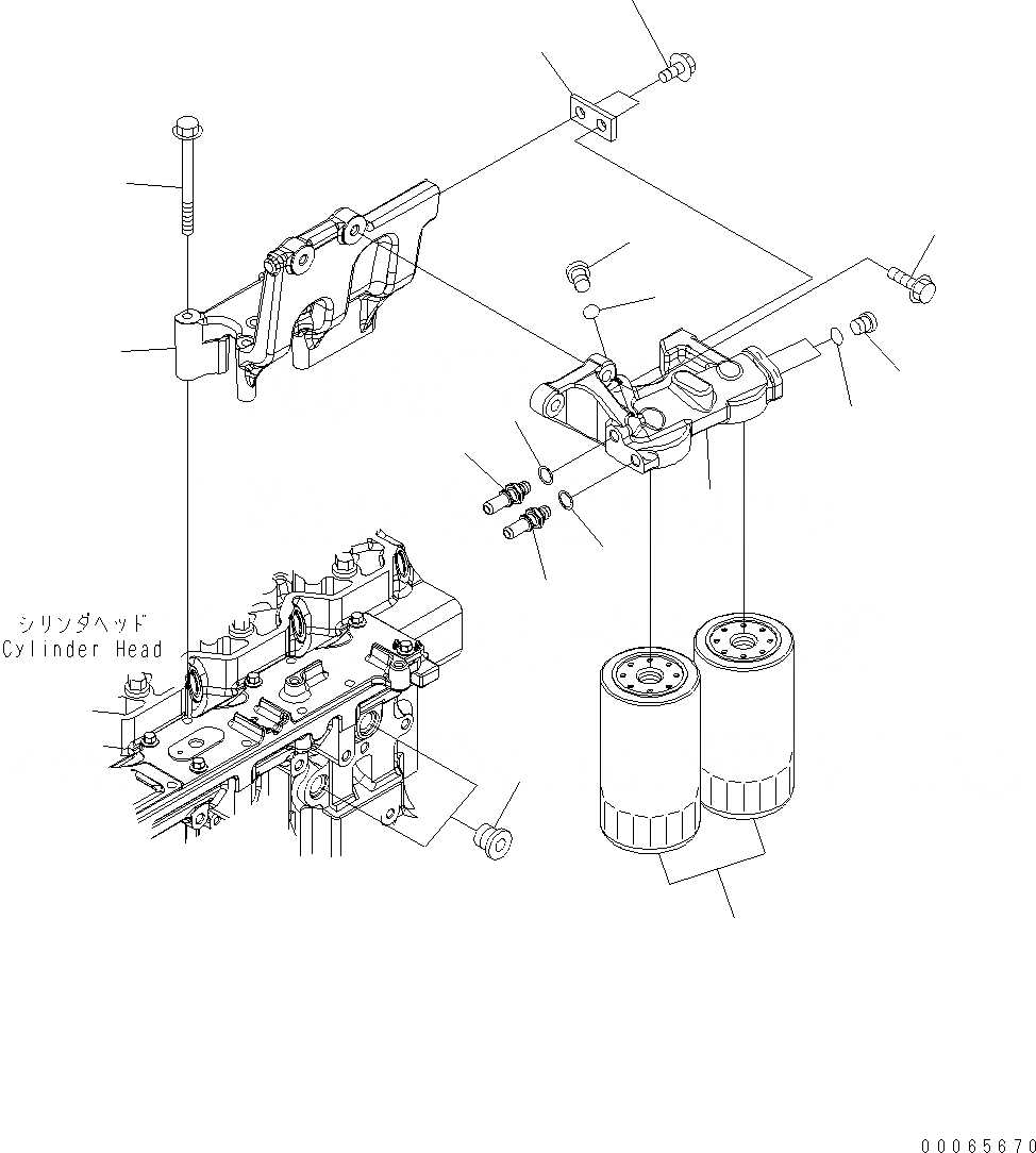
1
2
11
10
3
4
4
3
9
8
12
6
5
7
6
5
FIT
1:1
100%

Артикул

Название

Примечание

Количество

1

6745-71-6240

SUPPORT

SN: H60266-UP

1шт.

2

6732-11-4150

BOLT

SN: H60266-UP

5шт.

|$3

6735-21-1910

PLUG ASSEMBLY

SN: H60266-UP

3шт.

3

6735-21-1920

PLUG

SN: H60266-UP

1шт.

4

6735-21-1930

O-RING

SN: H60266-UP

1шт.

5

6745-71-1130

WASHER

SN: H60266-UP

2шт.

6

6745-71-6130

CONNECTOR

SN: H60266-UP

2шт.

7

6745-71-6180

HEAD

SN: H60266-UP

1шт.

8

6754-79-6140

CARTRIDGE, FUEL FILTER

SN: H60266-UP

2шт.

|$10

6754-79-6130

CARTRIDGE, FUEL FILTER

SN: H60266-.

2шт.

9

6732-22-3110

BOLT

SN: H60266-UP

2шт.

10

6731-61-4250

BOLT

SN: H60266-UP

2шт.

11

6745-71-6230

BRACKET

SN: H60266-UP

1шт.

12

6732-11-1910

PLUG

SN: H60266-UP

2шт.

Выбрано товаров: 14