Запчасти Komatsu WA450-1 СИСТЕМА ROPS(№-) РАМА И ЧАСТИ КОРПУСА

Схема запчастей Komatsu WA450-1 - СИСТЕМА ROPS(№-) РАМА И ЧАСТИ КОРПУСА
FIT
1:1
100%

Артикул

Название

Примечание

Количество

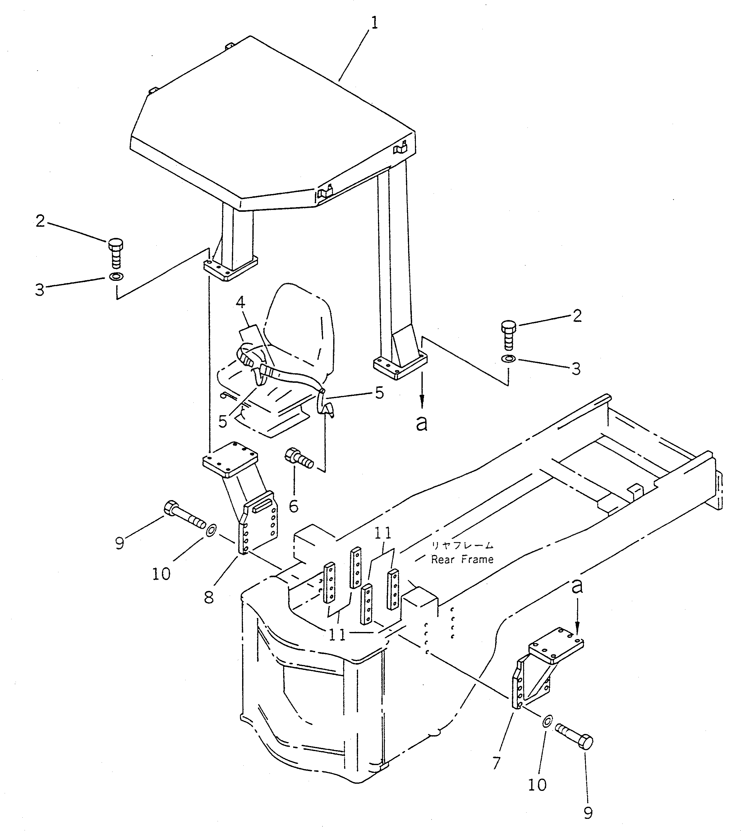
1

421-W70-1031

ROPS CANOPY ASS'Y

SN: 20001-UP

1шт.

1

421-W70-1021

ROPS CANOPY ASS'Y,(FOR OSHA SPEC.)

SN: 20001-UP

1шт.

2

01010-32480

BOLT

SN: 10001-UP

12шт.

3

01643-32460

WASHER

SN: 10001-UP

12шт.

4

09409-10001

BELT, LAP

SN: 10001-UP

1шт.

4

09409-00001

BOLT

SN: 10001-UP

2шт.

4

09409-00003

NUT

SN: 10001-UP

2шт.

4

09409-00002

WASHER

SN: 10001-UP

2шт.

5

09409-20000

BELT, TETHER

SN: 10001-UP

2шт.

5

09409-00001

BOLT

SN: 10001-UP

1шт.

5

09409-00003

NUT

SN: 10001-UP

1шт.

5

09409-00002

WASHER

SN: 10001-UP

1шт.

6

02030-70719

BOLT

SN: 10001-UP

2шт.

7

421-928-1131

SUPPORT,L.H.

SN: 20001-UP

1шт.

8

421-928-1121

SUPPORT,R.H.

SN: 20001-UP

1шт.

9

421-928-1150

BOLT

SN: 20001-UP

16шт.

10

01643-32460

WASHER

SN: 20001-UP

16шт.

11

421-928-1140

PLATE

SN: 20001-UP

4шт.

Выбрано товаров: 18