Запчасти Komatsu WA450-1 ОМЫВАТЕЛЬ СТЕКЛА(№-9999) РАМА И ЧАСТИ КОРПУСА

Схема запчастей Komatsu WA450-1 - ОМЫВАТЕЛЬ СТЕКЛА(№-9999) РАМА И ЧАСТИ КОРПУСА
FIT
1:1
100%

Артикул

Название

Примечание

Количество

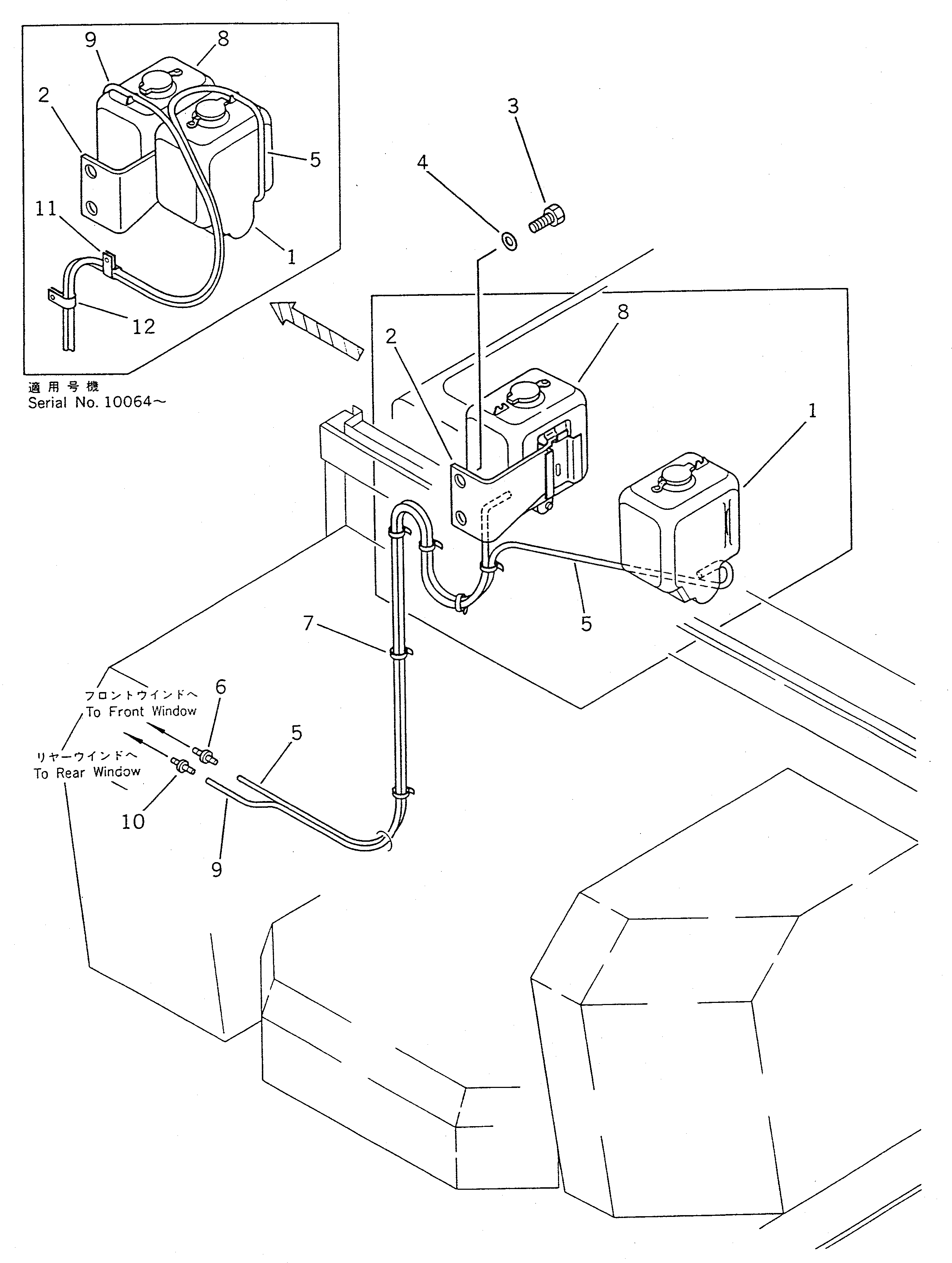
1

421-07-15160

TANK,FRONT

SN: 10001-19999

1шт.

2

421-07-15180

BRACKET

SN: 10001-19999

1шт.

3

01010-51225

BOLT

SN: 10001-19999

2шт.

4

01643-31232

WASHER

SN: 10001-19999

2шт.

5

424-07-15110

HOSE,(FOR FRONT)

SN: 10001-19999

1шт.

6

421-07-15110

JOINT,(FOR FRONT)

SN: 10001-19999

1шт.

7

08034-00310

BAND

SN: 10001-10597

6шт.

8

421-07-15160

TANK,REAR

SN: 10001-19999

1шт.

9

424-07-15110

HOSE,(FOR REAR)

SN: 10001-19999

1шт.

10

421-07-15110

JOINT,(FOR REAR)

SN: 10001-19999

1шт.

11

08036-00814

CLIP

SN: 10598-19999

1шт.

11

08036-01814

CLIP

SN: 10064-10597

1шт.

11

08036-01414

CLIP,(WITH REAR WIPER)

SN: 10598-19999

1шт.

11

08036-02514

CLIP,(WITH REAR WIPER)

SN: 10064-10597

1шт.

12

08036-00814

CLIP

SN: 10064-19999

1шт.

12

08036-01414

CLIP,(WITH REAR WIPER)

SN: 10064-19999

1шт.

Выбрано товаров: 16