Запчасти Komatsu WA450-1 ГИДРОЛИНИЯ (ИЗ НАСОСА В КЛАПАН) (/)(№-) УПРАВЛ-Е РАБОЧИМ ОБОРУДОВАНИЕМ

Схема запчастей Komatsu WA450-1 - ГИДРОЛИНИЯ (ИЗ НАСОСА В КЛАПАН) (/)(№-) УПРАВЛ-Е РАБОЧИМ ОБОРУДОВАНИЕМ
FIT
1:1
100%

Артикул

Название

Примечание

Количество

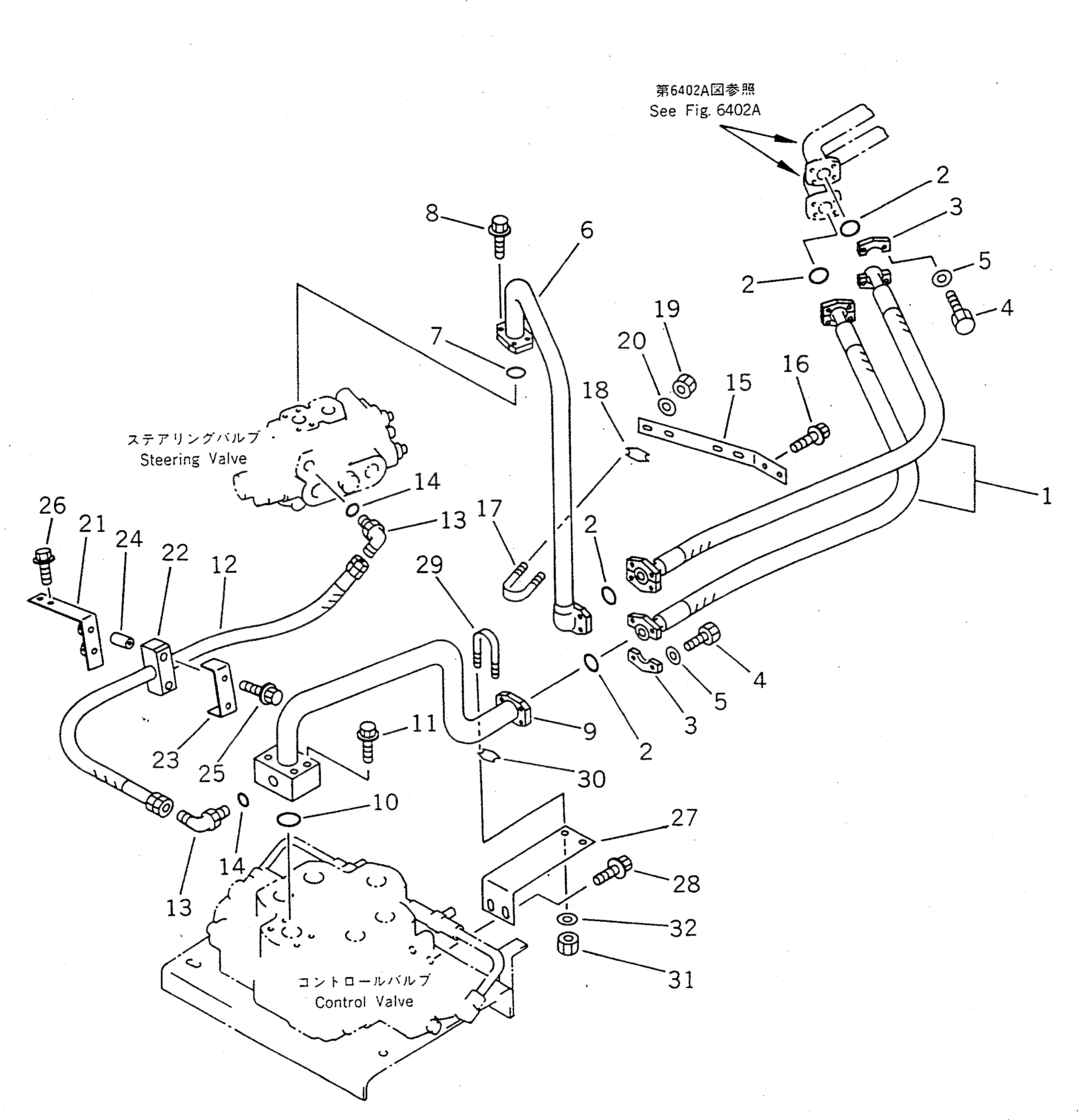
1

07125-01011

HOSE

SN: 20001-UP

2шт.

2

07000-13032

O-RING

SN: 20001-UP

4шт.

3

07371-31049

FLANGE

SN: 20001-UP

8шт.

4

07372-21035

BOLT

SN: 20001-UP

16шт.

5

01643-51032

WASHER

SN: 20001-UP

16шт.

6

421-62-12250

TUBE

SN: 20001-UP

1шт.

7

07000-13035

O-RING

SN: 10001-UP

1шт.

8

01435-01035

BOLT

SN: 20001-UP

4шт.

9

421-62-18120

TUBE

SN: 20001-UP

1шт.

10

07000-13045

O-RING

SN: 20001-UP

1шт.

11

01435-01275

BOLT

SN: 20001-UP

4шт.

12

07123-00610

HOSE

SN: 20001-UP

1шт.

13

07235-10628

ELBOW

SN: 20001-UP

2шт.

14

07002-12434

O-RING

SN: 20001-UP

2шт.

15

421-62-12261

PLATE

SN: 20214-UP

1шт.

15

0

PLATE

SN: 20001-20213

1шт.

16

01435-01030

BOLT

SN: 20001-UP

2шт.

17

07283-33450

CLIP

SN: 20001-UP

1шт.

18

07283-53444

SEAT

SN: 20001-UP

1шт.

19

01599-01011

NUT

SN: 20001-UP

2шт.

20

01643-31032

WASHER

SN: 20001-UP

2шт.

21

421-62-18130

BRACKET

SN: 20001-UP

1шт.

22

421-62-18510

CLAMP

SN: 20001-UP

1шт.

23

421-62-18490

PLATE

SN: 20001-UP

1шт.

24

421-62-18480

SPACER

SN: 20001-UP

2шт.

25

01435-01060

BOLT

SN: 20001-UP

2шт.

26

01435-01020

BOLT

SN: 20001-UP

2шт.

27

421-62-18110

PLATE

SN: 20001-UP

1шт.

28

01435-01030

BOLT

SN: 20001-UP

2шт.

29

07283-33450

CLIP

SN: 20001-UP

1шт.

30

07283-53444

SEAT

SN: 20001-UP

1шт.

31

01599-01011

NUT

SN: 20001-UP

2шт.

32

01643-31032

WASHER

SN: 20001-UP

2шт.

Выбрано товаров: 33