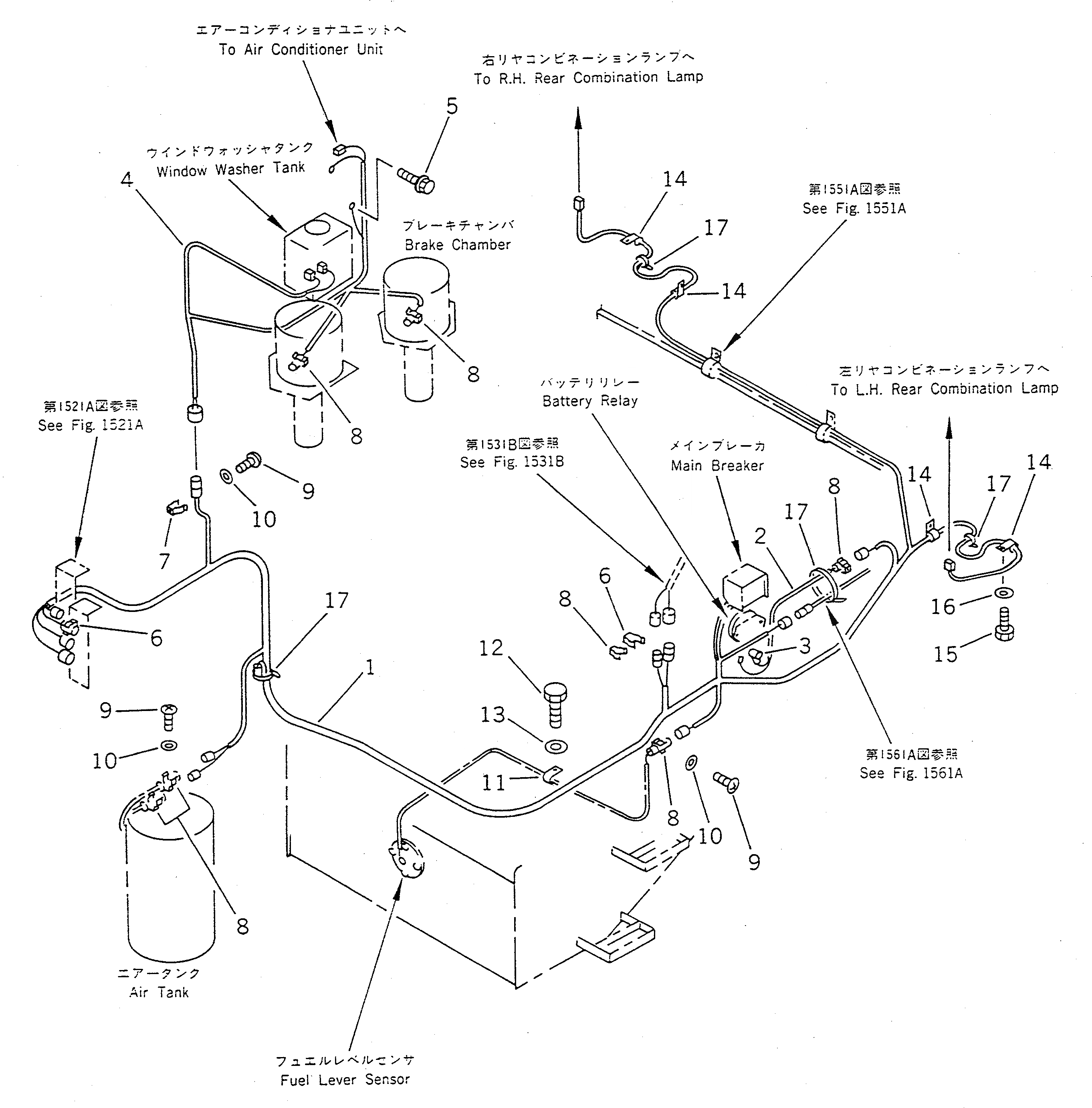
Запчасти Komatsu WA450-1 ЭЛЕКТРИКА ЗАДН. РАМА(№-) КОМПОНЕНТЫ ДВИГАТЕЛЯ И ЭЛЕКТРИКА

Схема запчастей Komatsu WA450-1 - ЭЛЕКТРИКА ЗАДН. РАМА(№-) КОМПОНЕНТЫ ДВИГАТЕЛЯ И ЭЛЕКТРИКА
FIT
1:1
100%

Артикул

Название

Примечание

Количество

1

421-06-12117

WIRE ASS'Y

SN: 20001-UP

1шт.

1

421-06-11970

DIODE

SN: 10001-UP

2шт.

2

421-06-12830

WIRE ASS'Y

SN: 10001-UP

1шт.

3

08038-00519

CAP

SN: 20001-UP

1шт.

4

421-06-12851

WIRE ASS'Y

SN: 20001-UP

1шт.

4

421-06-11970

DIODE

SN: 20001-UP

1шт.

5

01435-00608

BOLT

SN: 20001-UP

1шт.

6

08052-02711

CLIP

SN: 20001-UP

2шт.

7

08052-02411

CLIP

SN: 20001-UP

1шт.

8

08052-01711

CLIP

SN: 20001-UP

7шт.

9

01220-40608

SCREW

SN: 20001-UP

10шт.

10

01641-20608

WASHER

SN: 20001-UP

10шт.

11

419-09-11160

CLIP

SN: 20001-UP

1шт.

12

01010-51016

BOLT

SN: 20001-UP

1шт.

13

01643-31032

WASHER

SN: 20001-UP

1шт.

14

08036-01214

CLIP

SN: 20001-UP

4шт.

15

01010-50816

BOLT

SN: 20001-UP

4шт.

16

01643-30823

WASHER

SN: 20001-UP

4шт.

17

08034-00823

BAND

SN: 20001-UP

4шт.

Выбрано товаров: 0