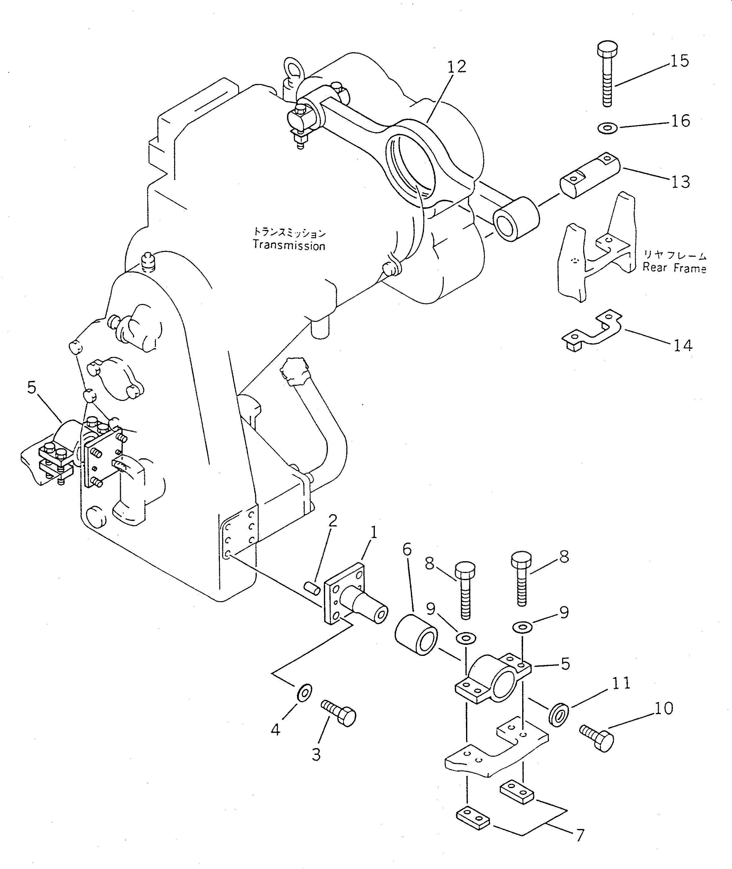
Запчасти Komatsu WA450-1 ТОРКФЛОУ ЭЛЕМЕНТЫ КРЕПЛЕНИЯ(№-9999) ГИДРОТРАНСФОРМАТОР И ТРАНСМИССИЯ

Схема запчастей Komatsu WA450-1 - ТОРКФЛОУ ЭЛЕМЕНТЫ КРЕПЛЕНИЯ(№-9999) ГИДРОТРАНСФОРМАТОР И ТРАНСМИССИЯ
FIT
1:1
100%

Артикул

Название

Примечание

Количество

1

421-14-11110

PIN

SN: 10001-19999

2шт.

2

04020-01228

PIN,DOWEL

SN: 10001-@

4шт.

3

01010-51645

BOLT

SN: 10001-@

8шт.

4

01643-31645

WASHER

SN: 10001-@

8шт.

5

566-14-41160

BRACKET

SN: 10001-@

2шт.

6

566-14-41130

CUSHION

SN: 10001-@

2шт.

7

421-14-11160

SEAT

SN: 10001-@

4шт.

8

01010-51670

BOLT

SN: 10001-@

8шт.

9

01643-31645

WASHER

SN: 10001-@

8шт.

10

01010-51625

BOLT

SN: 10001-@

2шт.

11

566-14-41170

WASHER

SN: 10001-@

2шт.

12

421-14-11150

TRUNNION

SN: 10001-19999

1шт.

13

566-14-51152

CUSHION

SN: 10001-19999

2шт.

14

421-14-11130

PLATE

SN: 10001-19999

2шт.

15

01010-51490

BOLT

SN: 10001-19999

4шт.

16

01643-31445

WASHER

SN: 10001-19999

4шт.

Выбрано товаров: 16