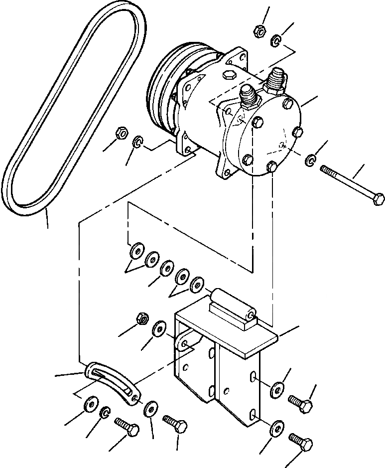
Запчасти Komatsu WA450-2 FIG NO. A КОНДИЦ. ВОЗДУХА REFRIGERANT КОМПРЕССОР КРЕПЛЕНИЕ MACHINES заводской номер A8, A-A, A И ABOVE РАМА, ЧАСТИ КОРПУСА & SUPERSTRUCTURE

Схема запчастей Komatsu WA450-2 - FIG NO. A КОНДИЦ. ВОЗДУХА REFRIGERANT КОМПРЕССОР КРЕПЛЕНИЕ MACHINES заводской номер A8, A-A, A И ABOVE РАМА, ЧАСТИ КОРПУСА & SUPERSTRUCTURE
11
10
1
10
20
9
19
4
14
13
12
2
17
16
7
3
5
21
19
16
18
15
8
6
FIT
1:1
100%

Артикул

Название

Примечание

Количество

1

425-963-A230

COMPRESSOR ASSEMBLY

1шт.

2

421-963-A350

BRACKET, COMPRESSOR MOUNTING

1шт.

3

421-963-A360

ARM, TENSIONER

1шт.

4

421-963-A210

V-BELT

1шт.

5

01010-80835

BOLT

2шт.

6

01010-81035

BOLT

2шт.

7

01643-31032

WASHER

2шт.

8

01643-30823

WASHER

2шт.

9

01011-51030

BOLT

1шт.

10

01643-31032

WASHER

2шт.

11

01598-11011

NUT, NYLON LOCK

1шт.

12

425-963-A410

SHIM, .015 IN

2шт.

13

425-963-A420

SHIM, .010 IN

1шт.

14

425-963-A430

SHIM, .005 IN

2шт.

15

01010-81030

BOLT

1шт.

16

01643-31032

WASHER

2шт.

17

01580-11008

NUT

1шт.

18

01010-80835

BOLT

1шт.

19

01643-30823

WASHER

2шт.

20

01580-10806

NUT

1шт.

21

425-963-A250

BUSHING

1шт.

N/I

425-963-A260

DECAL, WARNING

1шт.

N/I

425-963-A460

WIRE, ADAPTER

1шт.

Выбрано товаров: 23