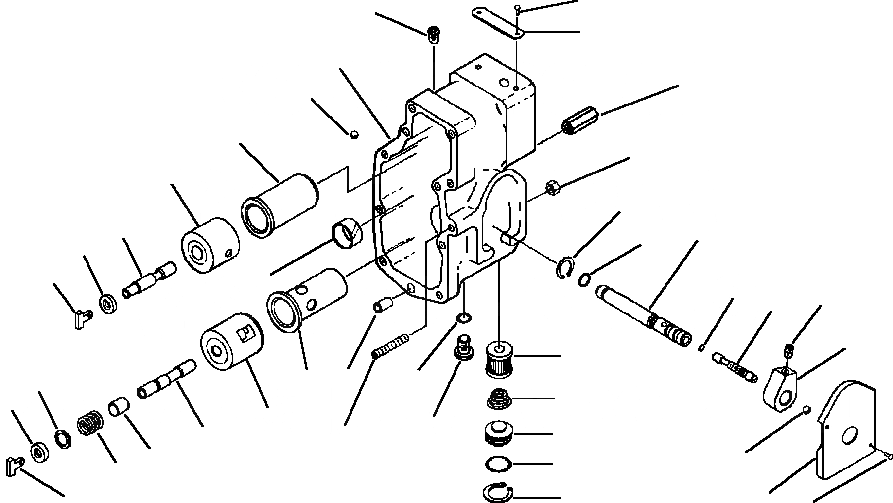
Запчасти Komatsu WA450-2 ТОПЛИВН. НАСОС КОЖУХ ТОПЛИВН. СИСТЕМА

Схема запчастей Komatsu WA450-2 - ТОПЛИВН. НАСОС КОЖУХ ТОПЛИВН. СИСТЕМА
36
28
32
1
38
4
2
29
7
16
13
21
15
14
9
5
17
20
18
19
25
6
37
3
34
26
11
8
33
22
10
35
30
12
23
27
31
24
9
36
FIT
1:1
100%

Артикул

Название

Примечание

Количество

|$0

1296 744 H91

HOUSING, FUEL PUMP

1шт.

1

1296 742 H91

BODY, FUEL PUMP

1шт.

2

1238 170 H1

SLEEVE, SPRING PACK

1шт.

3

1238 613 H1

HOUSING, SPRING PACK

1шт.

4

1238 887 H1

BALL, PLUG AFC

3шт.

5

1238 137 H1

BUSHING, TACHOMETER DRIVE

1шт.

6

1238 209 H1

DOWEL, RING

2шт.

7

1295 889 H1

BARREL, GOVERNOR

1шт.

|$8

1295 891 H1

SLEEVE, GOVERNOR BARREL

1шт.

|$9

1295 890 H1

BARREL, GOVERNOR

1шт.

8

1296 743 H91

BARREL, GOVERNOR

1шт.

|$11

1295 888 H1

SLEEVE, GOVERNOR BARREL

1шт.

|$12

1295 890 H1

BARREL, GOVERNOR

1шт.

|$13

1295 891 H1

BUSHING, THROTTLE SHAFT

1шт.

|$14

1241 340 H91

PLUNGER, GOVERNOR

1шт.

9

1240 057 H1

DRIVER, GOVERNOR PLUNGER

1шт.

10

1241 339 H1

PLUNGER, GOVERNOR

1шт.

11

1239 551 H1

BEARING, THRUST

1шт.

12

1250 107 H1

SPACER, BEARING

1шт.

|$19

1237 932 H91

DRIVE, GOVERNOR, PLUNGER (UPPER ASSEMBLY)

1шт.

9

1240 057 H1

DRIVER, GOVERNOR PLUNGER

1шт.

13

1238 856 H1

PLUNGER, GOVERNOR

1шт.

14

1239 683 H1

BEARING, THRUST

1шт.

|$23

1237 933 H91

SHAFT, THROTTLE AND STOP

1шт.

15

1238 141 H1

O-RING

1шт.

16

1238 392 H1

RING, RETAINING

1шт.

17

1238 883 H1

O-RING

1шт.

18

1239 114 H2

BOLT, FUEL PUMP ADJUSTING

1шт.

|$28

1294 268 H91

SHAFT, THROTTLE

1шт.

19

1239 118 H1

STOP, THROTTLE LEVER

1шт.

20

1239 119 H1

BOLT

2шт.

21

1239 829 H1

SHAFT, THROTTLE

1шт.

22

1238 591 H1

PLUG, FUEL SCREEN RETURN

1шт.

23

1294 109 H1

O-RING

1шт.

24

1238 249 H1

RING, RETAINING

1шт.

25

1238 338 H1

SCREEN, FILTER

1шт.

26

1295 608 H1

SPRING, COMPRESSION

1шт.

27

1239 397 H1

SPRING, COMPRESSION

1шт.

28

1240 021 H1

PLUG, PIPE

1шт.

29

1238 086 H1

NUT, REGULAR HEXAGON

2шт.

30

1238 884 H1

PLUG, BALL

1шт.

31

1238 978 H1

COVER, FUEL CONTROL

1шт.

32

1238 159 H1

NAMEPLATE

1шт.

33

1239 661 H91

PLUG, THREADED

4шт.

34

1239 669 H1

O-RING

1шт.

35

1238 182 H1

BOLT

2шт.

36

1246 109 H1

BOLT

4шт.

37

1238 144 H1

SHIM - 0.005 IN

-2шт.

37

1238 145 H1

SHIM - 0.010 IN

-2шт.

37

1238 146 H1

SHIM - 0.020 IN

-2шт.

38

1238 184 H1

NUT, FUEL PUMP ADJUSTING

1шт.

Выбрано товаров: 51