Запчасти Komatsu WA450-2 ТОПЛИВН. НАСОС ПРИВОД ТОПЛИВН. СИСТЕМА

Схема запчастей Komatsu WA450-2 - ТОПЛИВН. НАСОС ПРИВОД ТОПЛИВН. СИСТЕМА
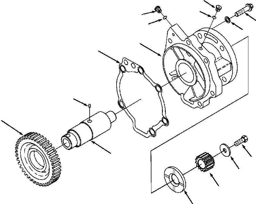
1
2
1
13
2
12
7
11
8
9
10
4
3
5
6
FIT
1:1
100%

Артикул

Название

Примечание

Количество

|$0

1294 085 H2

ACCESSORY DRIVE SHAFT AND GEAR

1шт.

1

1239 661 H91

PLUG, THREADED (3/8 INCH)

2шт.

2

1239 669 H1

O-RING

1шт.

3

1238 412 H1

WASHER, PLAIN

1шт.

4

1238 973 H1

BOLT (3/8-16x1 INCH)

1шт.

5

6216-94-3270

HUB, JAW COUPLING

1шт.

6

1246 242 H1

BEARING, THRUST

1шт.

7

1294 087 H1

SUPPORT, ACCESSORY DRIVE

1шт.

|$8

1246 243 H91

GEAR AND SHAFT

1шт.

8

1246 241 H1

PIN, GROOVE

1шт.

9

1246 244 H1

GEAR, ACCESSORY DRIVE

1шт.

10

1246 245 H1

SHAFT, ACCESSORY DRIVE

1шт.

11

1304 968 H1

GASKET, ACCESSORY DRIVE SUPPORT

1шт.

12

1294 090 H1

WASHER, PLAIN

1шт.

13

1294 091 H1

BOLT (M10x1.50x40)

6шт.

Выбрано товаров: 0