Качественные детали и логистика
Оригинальные и аналоговые запчасти с доставкой по России, Казахстану и Беларуси
©2022 PartSell ООО "Система" ИНН 2463123282 ОГРН 1212400004838
Центральный офис: г. Красноярск, Академика Киренского, д.87, пом.4
Телефон: 8 (800) 777-65-74 Email: zakaz@partsell.ru
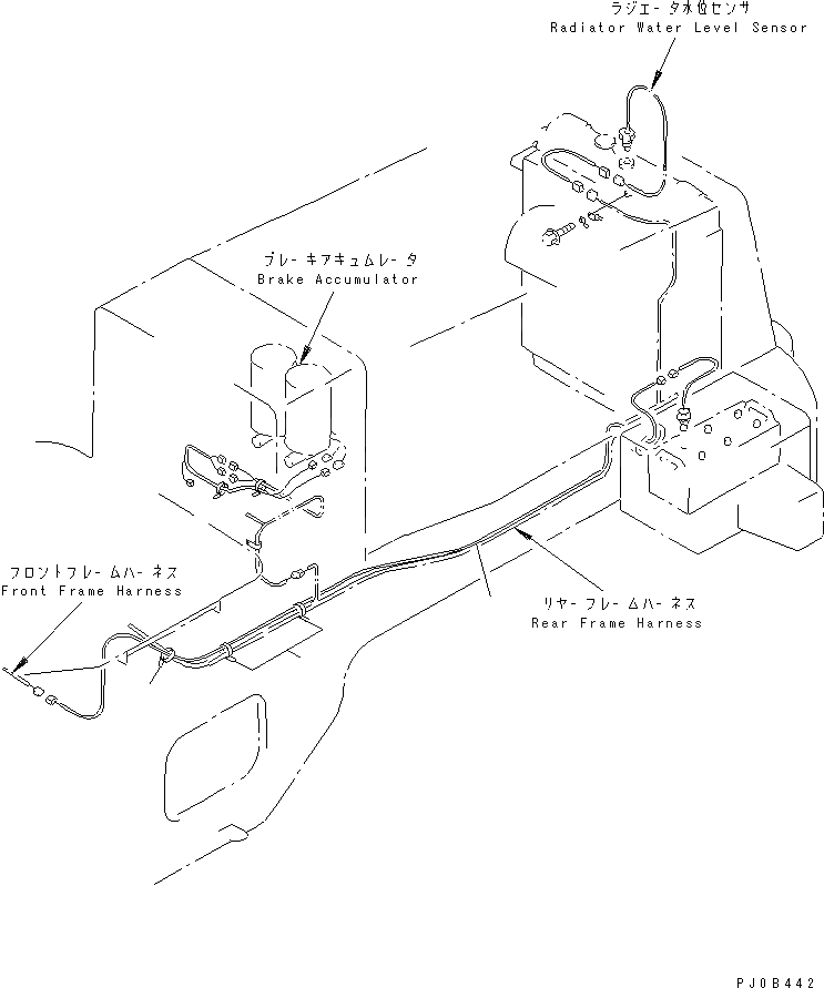
ПРОВОДКА (M.D.C. МОНИТОР ЛИНИЯ) ЗАДН. РАМА
№
Артикул
Название
Примечание
Количество
1
421-T32-2271
WIRING HARNESS
SN: 63001-UP
1шт.
2
08034-00414
BAND
3шт.
Выбрано товаров: 0