Запчасти Komatsu WA450-3-H ТРАНСМИССИЯ (КРЕПЛЕНИЕ КОНТРОЛЬНОГО КЛАПАНА) ТРАНСМИССИЯ

Схема запчастей Komatsu WA450-3-H - ТРАНСМИССИЯ (КРЕПЛЕНИЕ КОНТРОЛЬНОГО КЛАПАНА) ТРАНСМИССИЯ
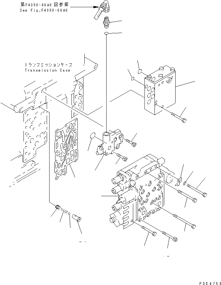
1
2
3
4
5
6
7
8
9
10
11
12
13
14
15
16
17
18
19
20
21
22
23
FIT
1:1
100%

Артикул

Название

Примечание

Количество

|$$1

SERIAL NO. IN ( ) INDICATES TRANSMISSION SERIAL NO.

-1шт.

|1

714-07-10041

TRANSMISSION ASS'Y,(FOR EMERGENCY STEERING)

SN: 64001-UP

1шт.

|1

714-07-10040

TRANSMISSION ASS'Y,(FOR EMERGENCY STEERING)

SN: 63001-64000

1шт.

|$$4

THESE ASSEMBLIES CONSISTS OF ALL PARTS SHOWN IN FIGS.F4350-51A0 TO F4350-69A0.

-1шт.

1

714-07-15400

VALVE ASS'Y,FLOW CONTROL

SN: 63001-UP

1шт.

2

07230-20628

UNION

SN: 63001-UP

1шт.

3

07002-02434

O-RING (K3)

SN: 63001-UP

1шт.

4

01252-31065

BOLT

SN: 63001-UP

1шт.

5

01252-31055

BOLT

SN: 63001-UP

3шт.

6

07000-72020

O-RING (K2)

SN: 63001-UP

1шт.

7

714-07-15600

VALVE ASS'Y,ACCUMULATOR

SN: 63001-UP

1шт.

8

01010-81085

BOLT

SN: 63001-UP

3шт.

9

07000-72014

O-RING (K2)

SN: 63001-UP

1шт.

10

07000-72020

O-RING (K2)

SN: 63001-UP

6шт.

11

714-07-15012

VALVE ASS'Y,TRANSMISSION

SN: 65001-UP

1шт.

|11

714-07-15011

VALVE ASS'Y,TRANSMISSION

SN: 63001-65000

1шт.

12

714-07-16670

BOLT

SN: 63001-UP

2шт.

13

08053-01510

CLIP

SN: 63001-UP

1шт.

14

01011-81020

BOLT

SN: 63001-UP

1шт.

15

01011-81040

BOLT

SN: 63001-UP

8шт.

16

01011-81015

BOLT

SN: 63001-UP

2шт.

17

01010-81085

BOLT

SN: 63001-UP

2шт.

18

01643-31032

WASHER

SN: 63001-UP

1шт.

19

714-07-16921

GASKET (K2)

SN: (106691)-UP

1шт.

|19

0

GASKET (K2)

SN: 63001-(106690)

1шт.

|20

714-07-16500

VALVE ASS'Y,CHECK

SN: 63001-UP

1шт.

20

714-07-16580

SLEEVE

SN: 63001-UP

1шт.

21

714-07-16570

PLUG

SN: 63001-UP

1шт.

22

714-07-16590

SPRING,CHECK VALVE

SN: 63001-UP

1шт.

23

04260-00635

BALL,CHECK VALVE

SN: 63001-UP

1шт.

Выбрано товаров: 30