Запчасти Komatsu WA450-3 ТОРМОЗНАЯ ГИДРОЛИНИЯ (ЗАДН. МОСТ ТОРМОЗН. ГИДРОЛИНИЯ) КАБИНА ОПЕРАТОРА И СИСТЕМА УПРАВЛЕНИЯ

Схема запчастей Komatsu WA450-3 - ТОРМОЗНАЯ ГИДРОЛИНИЯ (ЗАДН. МОСТ ТОРМОЗН. ГИДРОЛИНИЯ) КАБИНА ОПЕРАТОРА И СИСТЕМА УПРАВЛЕНИЯ
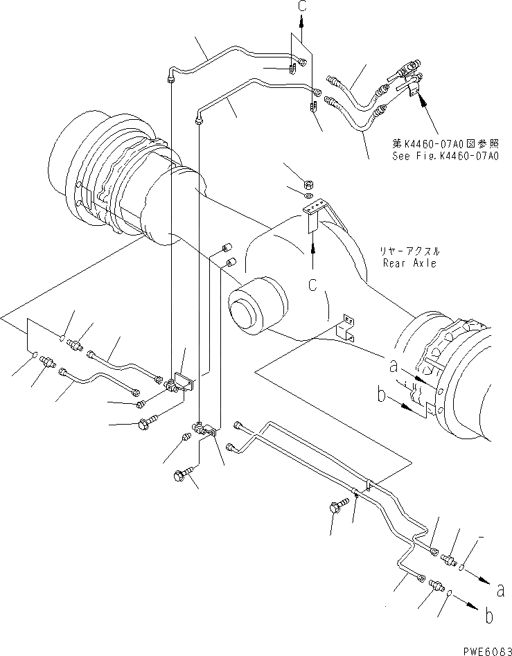
1
1
2
2
3
4
5
6
7
8
9
9
10
10
11
12
13
13
14
14
15
16
17
17
18
19
20
20
FIT
1:1
100%

Артикул

Название

Примечание

Количество

1

421-09-12770

UNION

SN: 53001-UP

2шт.

2

07002-12034

O-RING

SN: 53001-UP

2шт.

3

421-U44-2741

TUBE

SN: 53001-UP

1шт.

4

421-U44-2751

TUBE

SN: 53001-UP

1шт.

5

04434-51510

CLIP

SN: 53001-UP

2шт.

6

01435-01025

BOLT

SN: 53001-UP

1шт.

7

421-U44-2840

TEE

SN: 53001-UP

1шт.

8

421-U44-2850

TEE

SN: 53001-UP

1шт.

9

01435-01020

BOLT

SN: 53001-UP

2шт.

10

07042-30108

PLUG

SN: 53001-UP

2шт.

11

421-U44-2730

TUBE

SN: 53001-UP

1шт.

12

421-U44-2390

TUBE

SN: 53001-UP

1шт.

13

421-09-12770

UNION

SN: 53001-UP

2шт.

14

07002-12034

O-RING

SN: 53001-UP

2шт.

15

421-U44-2710

TUBE

SN: 53001-UP

1шт.

16

421-U44-2721

TUBE

SN: 53001-UP

1шт.

17

07283-31529

CLIP

SN: 53001-UP

2шт.

18

01596-00807

NUT

SN: 53001-UP

4шт.

19

01643-30823

WASHER

SN: 53001-UP

4шт.

20

423-35-11720

HOSE

SN: 53001-UP

2шт.

Выбрано товаров: 20