Запчасти Komatsu WA450-3-X АВТОМАТИЧ. СМАЗ. СИСТЕМА (ПЕРЕДНЯЯ РАМА)(№-) РАМА И ЧАСТИ КОРПУСА

Схема запчастей Komatsu WA450-3-X - АВТОМАТИЧ. СМАЗ. СИСТЕМА (ПЕРЕДНЯЯ РАМА)(№-) РАМА И ЧАСТИ КОРПУСА
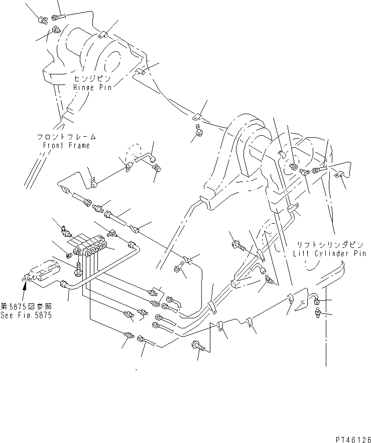
1
2
3
4
5
6
7
8
9
10
11
12
13
14
14
14
15
15
16
16
17
17
18
19
19
19
19
19
19
19
19
19
19
19
19
20
20
20
21
21
21
21
FIT
1:1
100%

Артикул

Название

Примечание

Количество

1

421-S95-2590

VALVE

SN: 60001-UP

1шт.

2

01435-00840

BOLT

SN: 60001-UP

2шт.

3

07020-00675

FITTING,GREASE

SN: 60001-UP

5шт.

4

07043-70312

PLUG

SN: 60001-UP

1шт.

5

421-09-12550

ELBOW

SN: 60001-UP

1шт.

6

421-S95-2682

TUBE

SN: 60001-UP

1шт.

7

421-S95-2692

TUBE,L.H. HINGE PIN

SN: 60001-UP

1шт.

8

421-S95-2712

TUBE,R.H. HINGE PIN

SN: 60001-UP

1шт.

9

421-S95-2722

TUBE,L.H. LIFT CYLINDER PIN

SN: 60001-UP

1шт.

10

421-S95-2732

TUBE,R.H. LIFT CYLINDER PIN

SN: 60001-UP

1шт.

11

421-S95-2741

TUBE,R.H. LIFT CYLINDER PIN

SN: 60001-UP

1шт.

12

23S-44-25470

JOINT

SN: 60001-UP

1шт.

13

421-S95-2752

TUBE

SN: 60001-UP

1шт.

14

423-09-12110

CONNECTOR

SN: 60001-UP

5шт.

15

421-09-12540

ELBOW

SN: 60001-UP

2шт.

16

423-70-11160

NIPPLE

SN: 60001-UP

2шт.

17

421-09-12540

ELBOW

SN: 60001-UP

2шт.

18

423-09-12110

CONNECTOR

SN: 60001-UP

1шт.

19

04434-50610

CLIP

SN: 60001-UP

12шт.

20

04435-50610

CLIP

SN: 60001-UP

3шт.

21

01435-01016

BOLT

SN: 60001-UP

15шт.

Выбрано товаров: 21