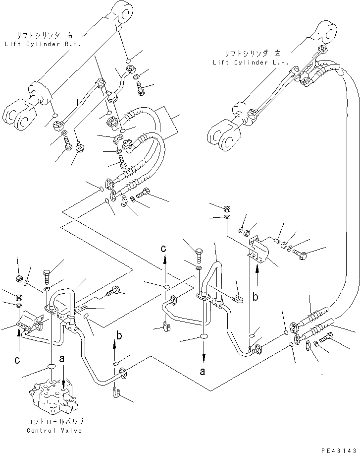
Запчасти Komatsu WA450-3-X ГИДРОЛИНИЯ (ЛИНИЯ ГИДРОЦИЛИНДРА ПОДЪЕМА) (ДЛЯ E.C.S.S.)(№-) УПРАВЛ-Е РАБОЧИМ ОБОРУДОВАНИЕМ

Схема запчастей Komatsu WA450-3-X - ГИДРОЛИНИЯ (ЛИНИЯ ГИДРОЦИЛИНДРА ПОДЪЕМА) (ДЛЯ E.C.S.S.)(№-) УПРАВЛ-Е РАБОЧИМ ОБОРУДОВАНИЕМ
1
2
3
3
4
4
5
5
6
6
6
7
7
7
7
7
7
8
8
8
9
9
9
10
10
10
11
12
13
13
14
14
15
15
16
17
18
19
20
21
22
23
24
25
26
27
28
28
29
30
30
30
31
31
31
32
32
33
33
FIT
1:1
100%

Артикул

Название

Примечание

Количество

1

421-S99-2440

TUBE

SN: 60001-UP

1шт.

2

421-S99-2430

TUBE

SN: 60001-UP

1шт.

3

07000-13045

O-RING

SN: 60001-UP

2шт.

4

01010-51245

BOLT

SN: 60001-UP

8шт.

5

01643-51232

WASHER

SN: 60001-UP

8шт.

6

07124-01215

HOSE

SN: 60001-UP

4шт.

7

07000-13035

O-RING

SN: 60001-UP

8шт.

8

07371-31255

FLANGE,SPLIT

SN: 60001-UP

16шт.

9

07372-21035

BOLT

SN: 60001-UP

32шт.

10

01643-51032

WASHER

SN: 60001-UP

32шт.

11

421-62-23970

TUBE

SN: 60001-UP

2шт.

12

421-62-23961

TUBE

SN: 60001-UP

2шт.

13

07000-13035

O-RING

SN: 60001-UP

4шт.

14

01010-51060

BOLT

SN: 60001-UP

16шт.

15

01643-31032

WASHER

SN: 60001-UP

16шт.

16

01435-01235

BOLT

SN: 60001-UP

2шт.

17

421-62-23140

BRACKET

SN: 60001-UP

1шт.

18

01435-01030

BOLT

SN: 60001-UP

2шт.

19

07283-34354

CLIP

SN: 60001-UP

2шт.

20

07283-54353

SEAT

SN: 60001-UP

2шт.

21

01597-01009

NUT

SN: 60001-UP

4шт.

22

01643-31032

WASHER

SN: 60001-UP

4шт.

23

421-62-23191

BRACKET,L.H.

SN: 60001-UP

1шт.

24

421-62-23930

BRACKET,R.H.

SN: 60001-UP

1шт.

25

415-64-13130

CUSHION

SN: 60001-UP

4шт.

26

419-43-17930

CUSHION

SN: 60001-UP

4шт.

27

421-62-18560

SPACER

SN: 60001-UP

4шт.

28

415-64-13120

WASHER

SN: 60001-UP

8шт.

29

01435-01045

BOLT

SN: 60001-UP

4шт.

30

07283-33450

CLIP

SN: 60001-UP

4шт.

31

07283-53444

SEAT

SN: 60001-UP

4шт.

32

01597-01009

NUT

SN: 60001-UP

8шт.

33

01643-31032

WASHER

SN: 60001-UP

8шт.

Выбрано товаров: 33