Запчасти Komatsu WA450-3A-S ЭЛЕКТРИКА (M.D.C. МОНИТОР ЛИНИЯ) ЗАДН. РАМА(№-) КОМПОНЕНТЫ ДВИГАТЕЛЯ И ЭЛЕКТРИКА

Схема запчастей Komatsu WA450-3A-S - ЭЛЕКТРИКА (M.D.C. МОНИТОР ЛИНИЯ) ЗАДН. РАМА(№-) КОМПОНЕНТЫ ДВИГАТЕЛЯ И ЭЛЕКТРИКА
1
2
3
4
5
6
6
6
FIT
1:1
100%

Артикул

Название

Примечание

Количество

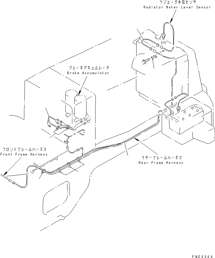
1

421-T32-2270

WIRING HARNESS,REAR FRAME

SN: 50001-UP

1шт.

2

7861-92-4400

SENSOR,ELECTROLYTE LEVEL

SN: 50001-UP

1шт.

3

421-T32-2240

WIRING HARNESS,RESISTOR

SN: 50001-UP

1шт.

|3

561-06-63750

RESISTOR¤ 246.5 OHM

SN: 50001-UP

2шт.

4

08053-01510

CLIP

SN: 50001-UP

1шт.

5

421-T32-2451

WIRING HARNESS

SN: 50016-UP

1шт.

|5

421-T32-2450

WIRING HARNESS

SN: 50001-50015

1шт.

|5

561-06-63750

RESISTOR¤ 246.5 OHM

SN: 50001-UP

1шт.

|5

600-842-2050

RESISTOR¤ 825 OHM

SN: 50001-UP

1шт.

|5

08020-10000

DIODE

SN: 50001-UP

1шт.

6

08034-20519

BAND

SN: 50001-UP

6шт.

Выбрано товаров: 11