Запчасти Komatsu WA450-3A-S ТРАНСМИССИЯ (КОРПУС ТРАНСМИССИИ) (/)(№-) ТРАНСМИССИЯ

Схема запчастей Komatsu WA450-3A-S - ТРАНСМИССИЯ (КОРПУС ТРАНСМИССИИ) (/)(№-) ТРАНСМИССИЯ
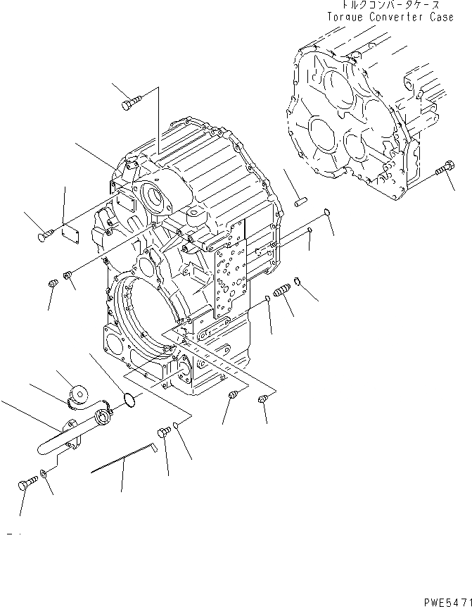
1
2
3
4
4
5
6
7
8
9
10
10
11
12
13
14
15
16
17
18
19
20
21
22
FIT
1:1
100%

Артикул

Название

Примечание

Количество

|1

714-07-10010

TRANSMISSION ASS'Y

SN: 50001-UP

1шт.

|$$2

THIS ASSEMBLY CONSISTS OF ALL PARTS SHOWN IN FIGS.2201 TO 2271.

-1шт.

|1

714-07-18011

CASE ASS'Y,FRONT

SN: 50001-UP

1шт.

1

0

CASE

SN: 50001-UP

1шт.

2

419-15-12750

ORIFICE

SN: 50001-UP

1шт.

3

07042-70211

PLUG

SN: 50001-UP

1шт.

4

07042-70108

PLUG

SN: 50001-UP

2шт.

5

07040-12012

PLUG

SN: 50001-UP

1шт.

6

07002-02034

O-RING (K1)

SN: 50001-UP

1шт.

7

04020-01228

PIN,DOWEL

SN: 50001-UP

2шт.

8

07000-73028

O-RING (K1)

SN: 50001-UP

2шт.

9

07000-72020

O-RING (K1)

SN: 50001-UP

7шт.

10

01010-81240

BOLT

SN: 50001-UP

24шт.

11

09608-05080

PLATE¤ NAME,(LIMITED SUPPLY)

SN: 50001-UP

1шт.

12

04418-13060

SCREW

SN: 50001-UP

4шт.

13

419-15-18241

PLUG

SN: 50001-UP

1шт.

14

07002-02434

O-RING (K1)

SN: 50001-UP

1шт.

15

419-15-18251

RING,SNAP

SN: 50001-UP

1шт.

16

714-07-14511

TUBE,FILLER

SN: 50001-UP

1шт.

17

714-07-14611

GAUGE,LEVEL

SN: 50001-UP

1шт.

18

6136-21-7120

CAP ASS'Y

SN: 50001-UP

1шт.

19

6136-21-7190

CHAIN

SN: 50001-UP

1шт.

20

07000-73048

O-RING (K1)

SN: 50001-UP

1шт.

21

01010-81240

BOLT

SN: 50001-UP

3шт.

22

01643-31232

WASHER

SN: 50001-UP

3шт.

23

419-15-18131

LIQUID GASKET,(NOT SHOWN) (K1)

SN: 50001-UP

1шт.

Выбрано товаров: 26