Запчасти Komatsu WA450-3A-TN ПОЛ Э/ПРОВОДКА(№-) КАБИНА ОПЕРАТОРА И СИСТЕМА УПРАВЛЕНИЯ

Схема запчастей Komatsu WA450-3A-TN - ПОЛ Э/ПРОВОДКА(№-) КАБИНА ОПЕРАТОРА И СИСТЕМА УПРАВЛЕНИЯ
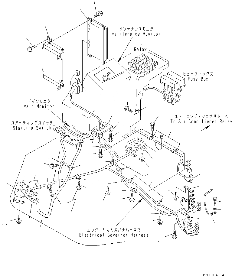
1
2
3
4
5
6
7
8
9
10
11
12
13
14
15
16
17
17
18
18
18
19
20
21
22
23
24
25
25
26
26
26
26
27
27
27
28
29
30
31
32
33
34
35
FIT
1:1
100%

Артикул

Название

Примечание

Количество

1

421-06-21232

WIRING HARNESS

SN: 54001-UP

1шт.

2

421-06-22940

BRACKET

SN: 53001-UP

1шт.

3

01435-01016

BOLT

SN: 53001-UP

2шт.

4

421-06-22950

BRACKET

SN: 53001-UP

1шт.

5

01435-01016

BOLT

SN: 53001-UP

2шт.

6

08036-02514

CLIP

SN: 53001-UP

2шт.

7

01435-01016

BOLT

SN: 53001-UP

2шт.

8

421-06-22521

SHEET

SN: 54001-UP

1шт.

9

419-06-22530

PLATE

SN: 53001-UP

1шт.

10

01435-00610

BOLT

SN: 53001-UP

2шт.

11

421-06-22540

SHEET

SN: 53001-UP

1шт.

12

419-06-22530

PLATE

SN: 53001-UP

1шт.

13

01435-00610

BOLT

SN: 53001-UP

2шт.

14

281-01-13180

CLIP

SN: 53001-UP

2шт.

15

01435-01016

BOLT

SN: 53001-UP

2шт.

16

08036-02514

CLIP

SN: 53001-UP

3шт.

17

01435-01016

BOLT

SN: 53001-UP

3шт.

18

08036-03014

CLIP

SN: 53001-UP

3шт.

19

01435-01016

BOLT

SN: 53001-UP

1шт.

20

421-06-22741

SHEET

SN: 54001-UP

1шт.

21

421-06-22731

PLATE

SN: 54001-UP

1шт.

22

01435-00610

BOLT

SN: 53001-UP

2шт.

23

08036-02514

CLIP

SN: 53001-UP

1шт.

24

01435-01016

BOLT

SN: 53001-UP

1шт.

25

04434-52712

CLIP

SN: 53001-UP

2шт.

26

04434-53412

CLIP

SN: 53001-UP

5шт.

27

01435-01016

BOLT

SN: 53001-UP

8шт.

28

04434-53412

CLIP

SN: 53001-UP

1шт.

29

08028-12045

CABLE

SN: 53001-UP

1шт.

30

01010-51016

BOLT

SN: 53001-UP

2шт.

31

01643-31032

WASHER

SN: 53001-UP

2шт.

32

421-06-21120

BRACKET

SN: 54001-UP

1шт.

33

01435-01016

BOLT

SN: 54001-UP

4шт.

34

01435-00825

BOLT

SN: 54001-UP

4шт.

35

7823-14-1006

CONTROLLER ASS'Y,TRANSMISSION

SN: 55037-UP

1шт.

|35

7823-14-1005

CONTROLLER ASS'Y,TRANSMISSION

SN: 54001-55036

1шт.

Выбрано товаров: 36