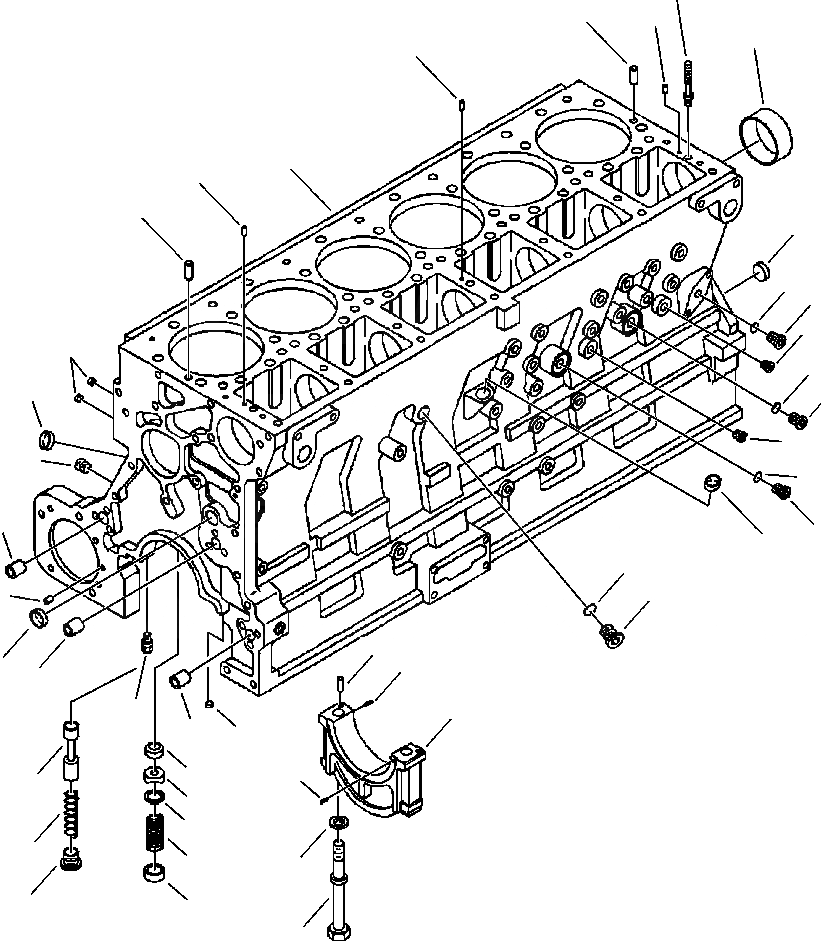
Запчасти Komatsu WA450-3L FIG. A-A БЛОК ЦИЛИНДРОВ - С ДРЕНАЖ COVER ДВИГАТЕЛЬ

Схема запчастей Komatsu WA450-3L - FIG. A-A БЛОК ЦИЛИНДРОВ - С ДРЕНАЖ COVER ДВИГАТЕЛЬ
26
15
18
7
18
1
18
15
16
22
21
8
17
22
16
21
8
19
22
20
21
16
24
23
14
2
10
16
20
11
25
20
17
9
10
27
5
4
28
6
13
29
3
12
FIT
1:1
100%

Артикул

Название

Примечание

Количество

|$0

1295 191 H93

BLOCK ASSEMBLY, CYLINDER

1шт.

1

BLOCK, CYLINDER

1шт.

2

1246 122 H1

DOWEL, PIN - NO. 4 ONLY

2шт.

3

1238 448 H1

PLUG, RETAINER

1шт.

4

1239 318 H1

WASHER, PLAIN

1шт.

5

1239 319 H1

DISC, VALVE

1шт.

6

1239 320 H1

SPRING, BYPASS VALVE

1шт.

7

1294 031 H1

BUSHING, CAMSHAFT

7шт.

8

6732-61-2240

PLUG, PIPE - 1/4 NPT

2шт.

9

1246 121 H1

SEAT, PRESSURE REG VALVE

1шт.

|$10

1246 125 H91

KIT, MAIN BEARING CAP - NO. 4 ONLY

1шт.

10

1246 127 H1

PIN, ROLL

2шт.

11

NSS

CAP, MAIN BEARING - NO. 4 ONLY

1шт.

|$13

1385 289 H1

CAP, MAIN BEARING - NO. 1, 2, 3, 5, 6

5шт.

|$14

1246 128 H1

CAP, MAIN BEARING - NO. 7 ONLY

1шт.

|$15

1295 682 H91

KIT, BOLT

14шт.

12

1317 021 H1

BOLT - M14-1.50 X 160

1шт.

13

1246 124 H1

WASHER, PLAIN

1шт.

14

1240 051 H1

DOWEL, PIN - 5/16 X 1/2 IN.

1шт.

15

1246 112 H1

DOWEL, PIN - 7/16 X 1 IN.

2шт.

16

6736-21-1820

PLUG, EXPANSION - 1.00 IN.

4шт.

17

1239 144 H1

PLUG, EXPANSION - 0.387 MM

9шт.

18

1246 114 H1

DOWEL, PIN - 6.00 X 12.00 MM

3шт.

19

6732-11-1910

PLUG, PIPE - 1/2 NPT

1шт.

20

1246 116 H1

DOWEL, RING - 19.23 MM

3шт.

|$25

6560-41-4100

PLUG, THREADED - 9/16-18 IN.

4шт.

21

NSS

PLUG, THREADED

1шт.

22

6560-51-7710

ORING

1шт.

|$28

1246 131 H91

PLUG, THREADED - 3/4-16 IN.

1шт.

23

1246 132 H1

PLUG, THREADED

1шт.

24

6735-21-4160

ORING

1шт.

25

1296 124 H1

SENSOR, VISCOSITY

1шт.

26

1246 117 H2

STUD - M10-1.50 X 50

7шт.

27

1296 126 H1

PLUNGER, PRESSURE REGULATOR

1шт.

28

1239 195 H1

SPRING, COMPRESSION

1шт.

29

1246 137 H1

PLUG, RETAINER

1шт.

|$36

-1шт.

|$37

F1 - FOR APPLICATIONS NOT REQUIRING HYDRAULIC DRIVE, PIN DOWELP/N 1246 134 H1 REPLACES RING DOWEL P/N 1246 116 H1.

-1шт.

|$38

-1шт.

Выбрано товаров: 39