Запчасти Komatsu WA450-3L FIG. F-A ВЕДУЩ. ВАЛ - ПЕРЕДН. СИЛОВАЯ ПЕРЕДАЧА И КОНЕЧНАЯ ПЕРЕДАЧА

Схема запчастей Komatsu WA450-3L - FIG. F-A ВЕДУЩ. ВАЛ - ПЕРЕДН. СИЛОВАЯ ПЕРЕДАЧА И КОНЕЧНАЯ ПЕРЕДАЧА
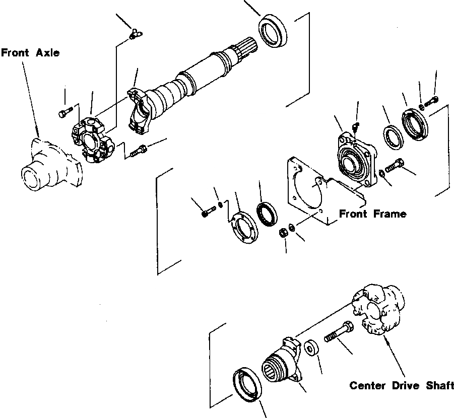
5
3
10
1
11
4
2
9
7
8
6
19
8
11
12
9
10
13
13
14
18
17
15
16
FIT
1:1
100%

Артикул

Название

Примечание

Количество

|$0

NSS

DRIVE SHAFT ASSEMBLY, FRONT

SN: A30001-UP-UP

1шт.

|$1

424-20-H3510

DRIVE SHAFT

SN: A30001-UP-UP

1шт.

1

NSS

YOKE AND SHAFT ASSEMBLY

SN: A30001-UP-UP

1шт.

2

424-20-A1530

SPIDER ASSEMBLY

SN: A30001-UP-UP

1шт.

3

424-20-A1540

FITTING, GREASE

SN: A30001-UP-UP

1шт.

4

02030-00864

BOLT

SN: A30001-UP-UP

4шт.

5

421-20-13540

DEFLECTOR

SN: A30001-UP-UP

1шт.

6

421-20-15123

BEARING, FLANGE

SN: A30001-UP-UP

1шт.

7

07020-00675

FITTING, GREASE

SN: A30001-UP-UP

1шт.

8

421-20-15620

SEAL

SN: A30001-UP-UP

2шт.

9

NSS

COVER

SN: A30001-UP-UP

2шт.

10

01252-40625

BOLT

SN: A30001-UP-UP

12шт.

11

01602-20619

WASHER, SPRING

SN: A30001-UP-UP

12шт.

12

01010-62075

BOLT

SN: A30001-UP-UP

4шт.

13

01643-32060

WASHER

SN: A30001-UP-UP

8шт.

14

01580-02016

NUT

SN: A30001-UP-UP

4шт.

|$16

421-20-13030

COUPLING ASSEMBLY

SN: A30001-UP-UP

1шт.

15

NSS

COUPLING

SN: A30001-UP-UP

1шт.

16

421-20-13540

DEFLECTOR

SN: A30001-UP-UP

1шт.

17

424-20-13520

HOLDER

SN: A30001-UP-UP

1шт.

18

01011-62405

BOLT

SN: A30001-UP-UP

1шт.

19

01050-61260

BOLT

SN: A30001-UP-UP

4шт.

Выбрано товаров: 22