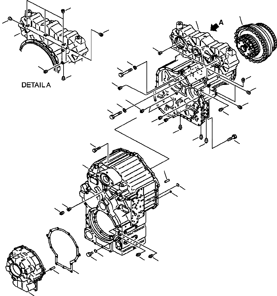
Запчасти Komatsu WA450-3L FIG. F-A ТРАНСМИССИЯ - КОРПУС ТРАНСМИССИИ СИЛОВАЯ ПЕРЕДАЧА И КОНЕЧНАЯ ПЕРЕДАЧА

Схема запчастей Komatsu WA450-3L - FIG. F-A ТРАНСМИССИЯ - КОРПУС ТРАНСМИССИИ СИЛОВАЯ ПЕРЕДАЧА И КОНЕЧНАЯ ПЕРЕДАЧА
14
26
7
14
14
7
15
22
14
20
14
12
10
12
8
9
22
21
12
13
8
11
9
19
19
12
1
16
17
18
2
3
6
5
4
4
25
24
23
FIT
1:1
100%

Артикул

Название

Примечание

Количество

|$0

714-07-X0040

TRANSMISSION ASSEMBLY

SN: A30001-UP-UP

1шт.

|$1

714-07-18011

CASE ASSEMBLY, FRONT

SN: A30001-UP-UP

1шт.

1

NSS

CASE

SN: A30001-UP-UP

1шт.

2

419-15-12750

ORIFICE

SN: A30001-UP-UP

1шт.

3

07043-70211

PLUG

SN: A30001-UP-UP

1шт.

4

07042-80108

PLUG

SN: A30001-UP-UP

2шт.

5

07040-12012

PLUG

SN: A30001-UP-UP

1шт.

6

07002-12034

O-RING

SN: A30001-UP-UP

1шт.

|$8

714-07-18021

CASE ASSEMBLY, TORQUE CONVERTER

SN: A30001-UP-UP

1шт.

7

NSS

CASE

SN: A30001-UP-UP

1шт.

8

07043-70415

PLUG

SN: A30001-UP-UP

4шт.

9

07043-70415

PLUG

SN: A30001-UP-UP

5шт.

10

07043-71019

PLUG

SN: A30001-UP-UP

1шт.

11

07043-71019

PLUG

SN: A30001-UP-UP

1шт.

12

07043-70617

PLUG

SN: A30001-UP-UP

8шт.

13

07043-70617

PLUG

SN: A30001-UP-UP

1шт.

14

07043-70108

PLUG

SN: A30001-UP-UP

7шт.

15

419-15-12750

ORIFICE

SN: A30001-UP-UP

3шт.

16

04020-01228

PIN, DOWEL

SN: A30001-UP-UP

2шт.

17

07000-73028

O-RING

SN: A30001-UP-UP

2шт.

18

07000-72020

O-RING

SN: A30001-UP-UP

7шт.

19

01010-81240

BOLT

SN: A30001-UP-UP

24шт.

20

01010-81270

BOLT

SN: A30001-UP-UP

4шт.

21

01010-81240

BOLT

SN: A30001-UP-UP

2шт.

22

01643-31232

WASHER

SN: A30001-UP-UP

6шт.

23

714-07-18332

COVER, PARKING BRAKE

SN: A30001-UP-UP

1шт.

24

04020-01228

PIN, DOWEL

SN: A30001-UP-UP

2шт.

25

714-07-18350

GASKET

SN: A30001-UP-UP

1шт.

26

TORQUE CONVERTER ASSEMBLY (SEE FIG. F4350-69A0)

SN: A30001-UP-UP

-1шт.

|$29

-1шт.

|$31

-1шт.

Выбрано товаров: 31