Запчасти Komatsu WA450-3L FIG. A-A DIPSTICK, МАСЛОНАЛИВНОЙ ПАТРУБОК PORT, И РАСПРЕДВАЛ КРЫШКИ ДВИГАТЕЛЬ

Схема запчастей Komatsu WA450-3L - FIG. A-A DIPSTICK, МАСЛОНАЛИВНОЙ ПАТРУБОК PORT, И РАСПРЕДВАЛ КРЫШКИ ДВИГАТЕЛЬ
7
9
8
8
7
1
9
2
3
4
5
12
9
10
11
6
FIT
1:1
100%

Артикул

Название

Примечание

Количество

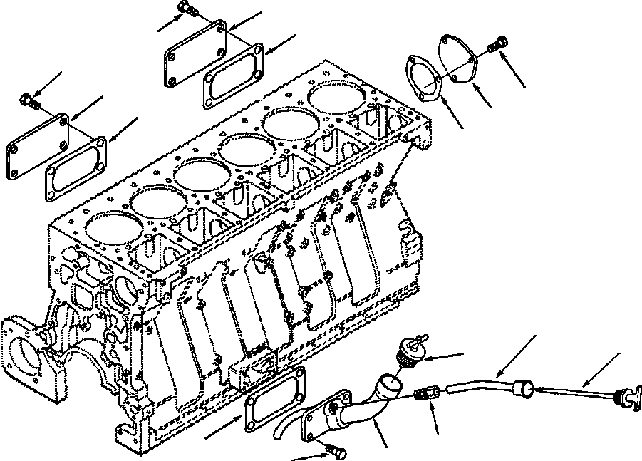
1

1240 427 H1

BOLT - M10-1.50 X 22

3шт.

2

1246 385 H1

COVER, CAMSHAFT

1шт.

3

1246 386 H1

GASKET, COVER PLATE

1шт.

4

1307 639 H1

TUBE, OIL GAUGE

1шт.

5

6731-21-5380

DIPSTICK

1шт.

6

1294 005 H1

BOLT - M10-1.50 X 25

4шт.

7

1246 387 H1

COVER, HAND HOLE

2шт.

8

1246 130 H1

BOLT - M10-1.50 X 20

8шт.

9

1295 235 H1

GASKET, HAND HOLE

3шт.

10

1246 384 H1

CONNECTOR, TUBE

1шт.

11

1307 640 H1

COVER, HAND HOLE

1шт.

12

6735-21-7130

CAP, FILLER

1шт.

Выбрано товаров: 0