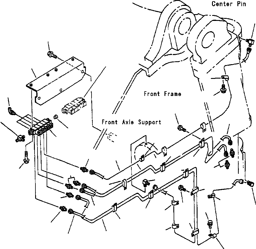
Запчасти Komatsu WA450-3L FIG. J7-8A СМАЗ. СИСТЕМА - АВТОМАТИЧ. - ПЕРЕДН. РАМА ЦЕНТРАЛЬНЫЙ ПАЛЕЦ ОСНОВНАЯ РАМА И ЕЕ ЧАСТИ

Схема запчастей Komatsu WA450-3L - FIG. J7-8A СМАЗ. СИСТЕМА - АВТОМАТИЧ. - ПЕРЕДН. РАМА ЦЕНТРАЛЬНЫЙ ПАЛЕЦ ОСНОВНАЯ РАМА И ЕЕ ЧАСТИ
14
6
18
5
15
3
17
17
11
7
4
15
1
16
13
9
16
13
16
13
2
14
16
16
13
15
17
17
14
12
15
16
16
16
13
15
8
10
15
FIT
1:1
100%

Артикул

Название

Примечание

Количество

1

421-S95-2531

VALVE, AUTO GREASE - 2, F.L-5

SN: A30001-UP-UP

1шт.

2

01435-00840

BOLT

SN: A30001-UP-UP

2шт.

3

07020-00675

FITTING, GREASE

SN: A30001-UP-UP

5шт.

4

07043-70312

PLUG

SN: A30001-UP-UP

1шт.

5

421-S95-3190

BRACKET

SN: A30001-UP-UP

1шт.

6

01435-01225

BOLT

SN: A30001-UP-UP

3шт.

7

423-S95-2270

TEE

SN: A30001-UP-UP

1шт.

8

421-S95-2812

TUBE, FRONT AXLE SUPPORT

SN: A30001-UP-UP

1шт.

9

421-S95-2782

TUBE, UPPER CENTER PIN

SN: A30001-UP-UP

1шт.

10

421-S95-2792

TUBE, LOWER CENTER PIN

SN: A30001-UP-UP

1шт.

11

421-S95-2822

TUBE

SN: A30001-UP-UP

1шт.

12

421-S95-2832

TUBE

SN: A30001-UP-UP

1шт.

13

423-09-12110

CONNECTOR

SN: A30001-UP-UP

7шт.

14

421-09-12540

ELBOW

SN: A30001-UP-UP

3шт.

15

04434-50610

CLIP

SN: A30001-UP-UP

6шт.

16

04435-50610

CLIP

SN: A30001-UP-UP

8шт.

17

01435-01016

BOLT

SN: A30001-UP-UP

12шт.

18

VALVE - 3, F.U-5 (SEE FIG. J4710-07A0)

SN: A30001-UP-UP

-1шт.

Выбрано товаров: 18