Запчасти Komatsu WA450-3L FIG. K7-A КОНДИЦ. ВОЗДУХА - КОМПРЕССОР И КРЕПЛЕНИЕ КАБИНА ОПЕРАТОРА И СИСТЕМА УПРАВЛЕНИЯ

Схема запчастей Komatsu WA450-3L - FIG. K7-A КОНДИЦ. ВОЗДУХА - КОМПРЕССОР И КРЕПЛЕНИЕ КАБИНА ОПЕРАТОРА И СИСТЕМА УПРАВЛЕНИЯ
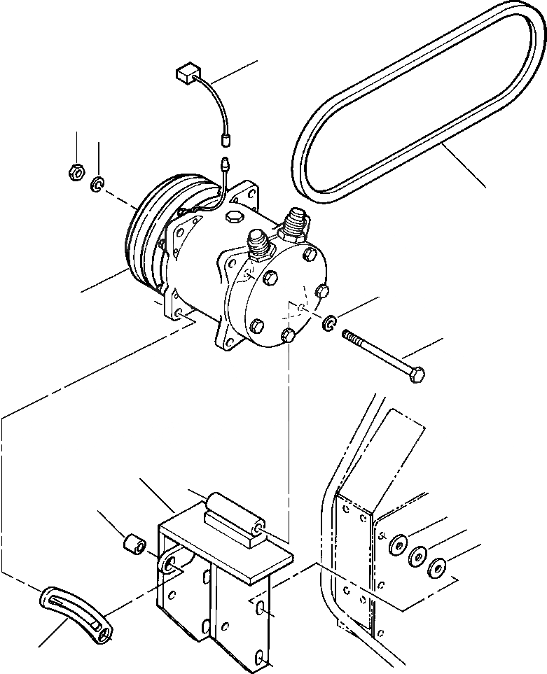
11
10
9
12
1
9
8
2
7
4
5
6
3
FIT
1:1
100%

Артикул

Название

Примечание

Количество

1

1303 641 H1

COMPRESSOR, AIR CONDITIONER

SN: A30001-UP-UP

1шт.

|$1

421-963-A650

KIT, COMPRESSOR MOUNTING

SN: A30001-UP-UP

1шт.

2

421-963-A350

BRACKET, MOUNTING

SN: A30001-UP-UP

1шт.

|$3

01010-80835

BOLT

SN: A30001-UP-UP

2шт.

|$4

01643-30823

WASHER

SN: A30001-UP-UP

2шт.

|$5

01010-81035

BOLT

SN: A30001-UP-UP

2шт.

|$6

01643-31032

WASHER

SN: A30001-UP-UP

2шт.

3

421-963-A360

BRACKET, BELT TENSIONER

SN: A30001-UP-UP

1шт.

|$8

01010-81030

BOLT

SN: A30001-UP-UP

1шт.

|$9

01643-31032

WASHER

SN: A30001-UP-UP

2шт.

|$10

01580-11008

NUT

SN: A30001-UP-UP

1шт.

|$11

419-963-AB60

KIT, SHIM

SN: A30001-UP-UP

1шт.

4

NSS

SHIM - 0.010 IN.

SN: A30001-UP-UP

2шт.

5

NSS

SHIM - 0.015 IN.

SN: A30001-UP-UP

2шт.

6

NSS

SHIM - 0.050 IN.

SN: A30001-UP-UP

2шт.

7

425-963-A250

BUSHING

SN: A30001-UP-UP

1шт.

|$16

01010-80835

BOLT

SN: A30001-UP-UP

1шт.

|$17

01643-30823

WASHER

SN: A30001-UP-UP

2шт.

|$18

01580-10806

NUT

SN: A30001-UP-UP

1шт.

8

01011-51030

BOLT, TENSION ADJUSTMENT

SN: A30001-UP-UP

1шт.

9

01643-31032

WASHER

SN: A30001-UP-UP

2шт.

10

01598-11011

NUT

SN: A30001-UP-UP

1шт.

11

425-963-A460

HARNESS, A/C COMPRESSOR

SN: A30001-UP-UP

1шт.

12

421-963-A210

BELT, A/C COMPRESSOR

SN: A30001-UP-UP

1шт.

|$31

-1шт.

|$29

F1 - ALSO USED IN A/C RETROFIT FIELD INSTALLATION UPGRADE KIT WITHTHE FOLLOWING ITEMS:

-1шт.

|$32

-1шт.

N/I

419-963-AA00

WIRE HARNESS, CONDENSER

SN: A30001-UP-UP

1шт.

N/I

424-926-A650

CONDENSER

SN: A30001-UP-UP

1шт.

N/I

419-963-AA70

HOSE KIT, A/C

SN: A30001-UP-UP

1шт.

N/I

419-963-AD30

UPGRADE KIT, A/C

SN: A30001-UP-UP

1шт.

|$28

-1шт.

|$30

-1шт.

Выбрано товаров: 33