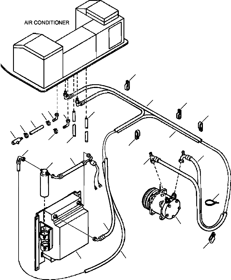
Запчасти Komatsu WA450-3L FIG. K7-A ТРУБКИ КОНДИЦИОНЕРА - КОНДИЦ. ВОЗДУХА - КОНДЕНСАТОР - КОМПРЕССОР КАБИНА ОПЕРАТОРА И СИСТЕМА УПРАВЛЕНИЯ

Схема запчастей Komatsu WA450-3L - FIG. K7-A ТРУБКИ КОНДИЦИОНЕРА - КОНДИЦ. ВОЗДУХА - КОНДЕНСАТОР - КОМПРЕССОР КАБИНА ОПЕРАТОРА И СИСТЕМА УПРАВЛЕНИЯ
9
7
9
11
10
12
11
9
13
12
14
2
12
10
6
9
2
4
5
7
8
2
1
9
6
3
FIT
1:1
100%

Артикул

Название

Примечание

Количество

1

COMPRESSOR, AIR CONDITIONER(SEE FIG. K0710-02A0)

SN: A30001-UP-UP

-1шт.

2

419-963-A210

HOSE - COMPRESSOR TO CONDENSER

SN: A30001-UP-UP

1шт.

3

CONDENSER ASSEMBLY(SEE FIG. K0710-06A0)

SN: A30001-UP-UP

-1шт.

4

419-963-A180

HOSE - CONDENSER TO DRYER WITHHIGH PRESSURE SWITCH

SN: A30001-UP-UP

1шт.

|$4

419-963-AA10

SWITCH, HIGH PRESSURE

SN: A30001-UP-UP

1шт.

5

DRYER, RECOVERY (SEE FIG. K0710-05A0)

SN: A30001-UP-UP

-1шт.

6

419-963-A190

HOSE - DRYER TO EVAPORATOR

SN: A30001-UP-UP

1шт.

7

419-963-A170

HOSE - EVAPORATOR TO COMPRESSOR

SN: A30001-UP-UP

1шт.

8

418-T42-A420

STRAP, TIE

SN: A30001-UP-UP

2шт.

9

651 569 C1

CLAMP, HOSE

SN: A30001-UP-UP

5шт.

10

425-963-A350

HOSE, DRAIN

SN: A30001-UP-UP

2шт.

11

425-963-A360

COUPLING

SN: A30001-UP-UP

2шт.

12

07281-00259

CLAMP, HOSE

SN: A30001-UP-UP

3шт.

13

HOSE, BULK - 8 IN.

SN: A30001-UP-UP

1шт.

14

VALVE, WATER (SEE FIG. K0710-01A1)

SN: A30001-UP-UP

-1шт.

|$15

HOSE, BULK HEATER

SN: A30001-UP-UP

-2шт.

|$16

-1шт.

|$17

F1 - CUT TO LENGTH FROM BULK HEATER HOSE.

-1шт.

|$18

-1шт.

Выбрано товаров: 19